AF060-[ ]V4-S1 High-Performance Gear Motor
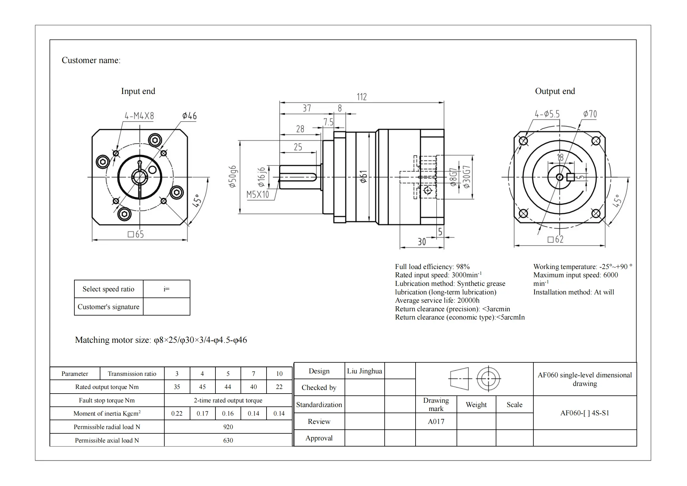
The AF060-[ ]V4-S1 gear motor is designed for high efficiency and exceptional performance, making it ideal for a variety of industrial applications. With a remarkable full load efficiency of 98%, this motor significantly reduces energy consumption while delivering robust power output, ensuring cost-effective operation.
Operating at a rated input speed of 3000 min⁻¹, the AF060 gear motor excels in high-speed applications, maintaining consistency and reliability throughout its use. It features a synthetic grease lubrication method, specifically engineered for long-term performance, which enhances the motor's durability and extends its average service life to around 20,000 hours.
Precision is a hallmark of the AF060-[ ]V4-S1, offering a return clearance of less than 3 arc minutes for precision models and up to 5 arc minutes for economic types. This level of accuracy is crucial for applications that demand exact positioning and control.
The motor is designed to operate within a wide temperature range of -25°C to +90°C, allowing it to perform reliably in diverse environmental conditions. It can handle a maximum input speed of 6000 min⁻¹, providing flexibility for various operational scenarios.
Installation is straightforward, with the ability to mount the AF060 gear motor in multiple orientations, accommodating various design requirements. Its combination of high efficiency, extended service life, and precision makes the AF060-[ ]V4-S1 an excellent choice for applications in automation, robotics, and beyond.
| ●Motor configuration and performance parameters | |||||||||||||||||||||||||||||||||||||||||||
|
Full load efficiency: 98% Rated input speed: 3000min-1 Lubrication method: Synthetic grease lubrication (long-term lubrication) Average service life: 20000h Return clearance (precision): <3arcmin Return clearance (economic type):<5arcmIn Working temperature: -25°~+90 ° Maximum input speed: 6000 min-1 Installation method: At will
|
|||||||||||||||||||||||||||||||||||||||||||
![AF060-[ ]V4-S1_00](/source/a6e5117a6c15615138cb738f03a8e376/af060-v4-s1_00.png)







Daniel.Ding
Ding![AF060-[ ]V4-S1 High-Performance Gear Motor](/source/ad74a681ac2e4f06342fd7727ab8e3c2/af060-main.jpg)
