AF140 Single-Level Gearbox for High-Efficiency Applications
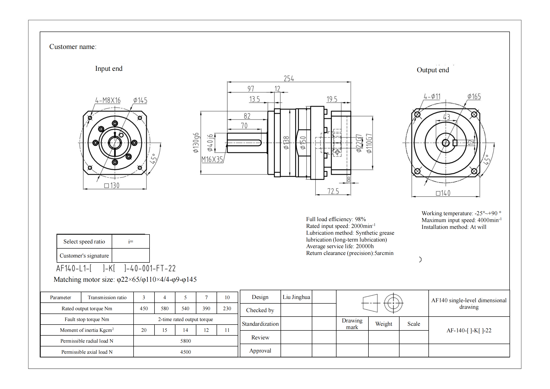
The AF140 single-level gearbox is meticulously designed to provide unparalleled performance and reliability across a wide range of industrial applications. With a remarkable full load efficiency of 98%, this gearbox is engineered to minimize energy losses, enhancing the overall productivity of your machinery. Its capability to handle a rated input speed of 2000 RPM makes it versatile enough to meet various operational demands, particularly in manufacturing, automation, and robotics.
Constructed with precision engineering, the AF140 gearbox features a robust design that allows it to maintain exceptional performance under diverse conditions. The lubrication method employs synthetic grease, ensuring long-term functionality without the need for frequent maintenance. With an average service life of approximately 20,000 hours, this gearbox significantly reduces downtime, enabling your operations to run smoothly and efficiently.
In terms of precision, the AF140 boasts a return clearance of less than 5 arcminutes, allowing for smooth and accurate operation in applications where precision is paramount. This feature is crucial in sectors such as automotive assembly, CNC machining, and any process where minute adjustments can impact overall performance. The gearbox’s design not only improves accuracy but also enhances the durability of the entire system, ensuring a longer lifespan for both the gearbox and connected components.
The versatility of the AF140 gearbox allows it to be installed in various orientations, making it suitable for applications with limited space or specific mounting requirements. Its adaptability ensures that it can be integrated seamlessly into existing systems, providing a hassle-free upgrade path for businesses looking to enhance their operational efficiency.
In summary, the AF140 single-level gearbox stands out as a premium choice for industries demanding reliability, efficiency, and precision. It combines high performance with low maintenance needs, making it an essential component for modern machinery.
| ●Motor configuration and performance parameters | |||||||||||||||||||||||||||||||||||||||||||
|
Full load efficiency: 98% Rated input speed: 2000min-1 Lubrication method: Synthetic grease lubrication (long-term lubrication) Average service life: 20000h Return clearance (precision):5arcmin
|
|||||||||||||||||||||||||||||||||||||||||||
![AF140-单级-[ ]-K[ ]-40-001-FT-22-Model_00](/source/6800abbed15bad1f04d223c6cd0013f7/af140-single-stage-k-40-001-ft-22-model_00.png)







Daniel.Ding
Ding
