AF060-[ ]V1-S2 High-Efficiency Gear Motor
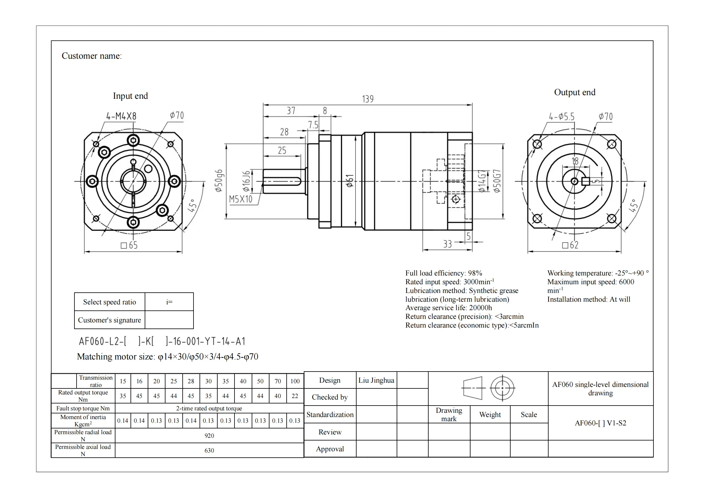
The AF060-[ ]V1-S2 gear motor is engineered for exceptional performance and reliability in a variety of industrial applications. Boasting a full load efficiency of 98%, this motor ensures optimal energy use, minimizing operational costs while maximizing output. With a rated input speed of 3000 min⁻¹, it effectively meets the demands of high-speed applications while maintaining consistent performance.
Designed with a long-lasting lubrication method utilizing synthetic grease, the AF060 gear motor guarantees reliable operation over extended periods. This lubrication method contributes to an average service life of approximately 20,000 hours, making it a durable choice for both continuous and intermittent use.
Precision is a key feature of the AF060 gear motor, with a return clearance of less than 3 arc minutes for precision types, and up to 5 arc minutes for economic types. This high degree of precision is crucial for applications where accurate positioning is essential.
The motor operates effectively within a wide working temperature range of -25°C to +90°C, ensuring reliable performance even in challenging environments. Additionally, it can accommodate a maximum input speed of 6000 min⁻¹, providing flexibility for various operational requirements.
Installation of the AF060 gear motor is versatile, allowing for placement in multiple orientations to suit different application needs. Its robust design, combined with superior efficiency and longevity, makes the AF060-[ ]V1-S2 a reliable component for industrial automation, robotics, and more.
| ●Motor configuration and performance parameters | |||||||||||||||||||||||||||||||||||||||||||||||||||||||||||||||||||||||||||||||
|
Full load efficiency: 98% Rated input speed: 3000min-1 Lubrication method: Synthetic grease lubrication (long-term lubrication) Average service life: 20000h Return clearance (precision): <3arcmin Return clearance (economic type):<5arcmIn Working temperature: -25°~+90 ° Maximum input speed: 6000 min-1 Installation method: At will
|
|||||||||||||||||||||||||||||||||||||||||||||||||||||||||||||||||||||||||||||||
![AF060-[ ]V1-S2_00](/source/221d8f0b9f1a8a82dff66fe610fa0ad9/af060-v1-s2_00.png)







Daniel.Ding
Ding![AF060-[ ]V1-S2 High-Efficiency Gear Motor](/source/ad74a681ac2e4f06342fd7727ab8e3c2/af060-main.jpg)
