KST-60B22-0001 NEMA 24 5-Phase Stepper Motor – 0.72° Step Angle, 2.4A, 0.66N·m Holding Torque, Compact 60mm Frame
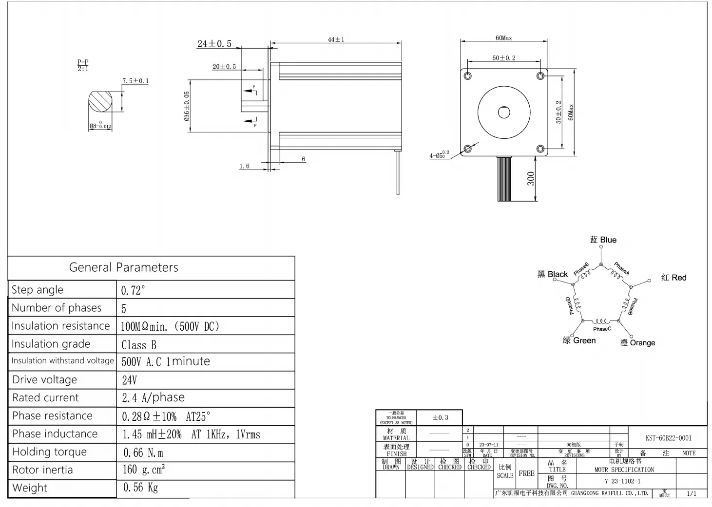
The KST-60B22-0001 is a compact and efficient 5-phase stepper motor with a 60mm (NEMA 24) frame size, engineered for precision applications that demand accuracy in a smaller footprint. Featuring a fine 0.72° step angle, this motor ensures ultra-smooth motion and precise positioning in sensitive environments.
With a rated current of 2.4A and holding torque of 0.66N·m, the KST-60B22-0001 delivers reliable performance for mid-load industrial applications. It has a rotor inertia of 160 g·cm², making it ideal for equipment requiring quick start-stop operation with minimal overshoot. Its 8mm shaft diameter and 24mm shaft length, combined with a motor length of only 44mm, make it suitable for compact machinery, precision instruments, and embedded motion systems. The total weight is 560g, offering an excellent torque-to-size ratio.
| ●Motor configuration and performance parameters | |||||||||||||||||||||||
|
|||||||||||||||||||||||








Daniel.Ding
Ding



