KST-42B22-0001 NEMA 17 42mm 5-Phase Stepper Motor – 0.72° Step Angle, 0.75A, 0.15N.m Holding Torque
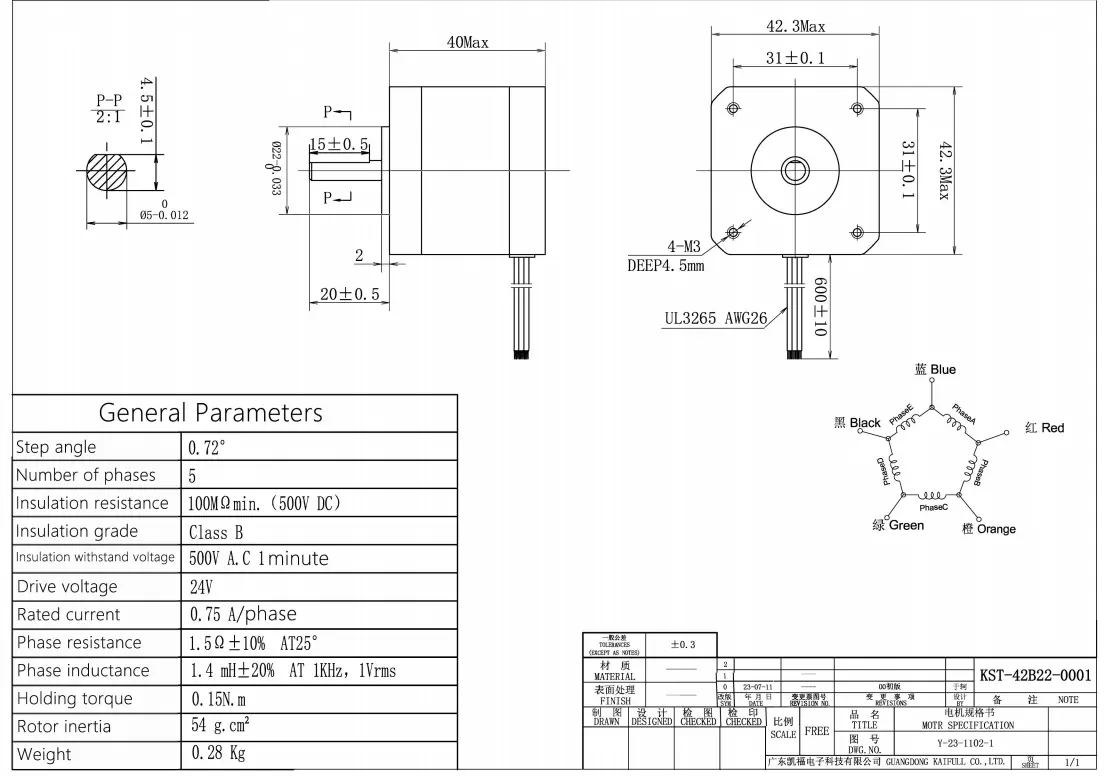
The KST-42B22-0001 is a precision-engineered 5-phase stepper motor with a 42mm frame size (NEMA 17), designed to deliver smooth, accurate motion control for industrial automation and compact machinery. Featuring a 0.72° step angle, this motor enables extremely fine positioning and superior performance in sensitive motion applications.
With a holding torque of 0.15N.m and a rated current of 0.75A, it is well-suited for low-power, high-precision systems. The rotor inertia of 54 g·cm² provides stable and responsive motion. Designed with a 5mm diameter shaft, 20mm axis length, and 40mm motor body, this motor combines space efficiency and performance. Weighing just 280g, it is a reliable solution for equipment where precision and compactness are essential.
| ●Motor configuration and performance parameters | |||||||||||||||||||||||
|
|||||||||||||||||||||||








Daniel.Ding
Ding



