AF060 Gearbox with Multiple Transmission Ratios
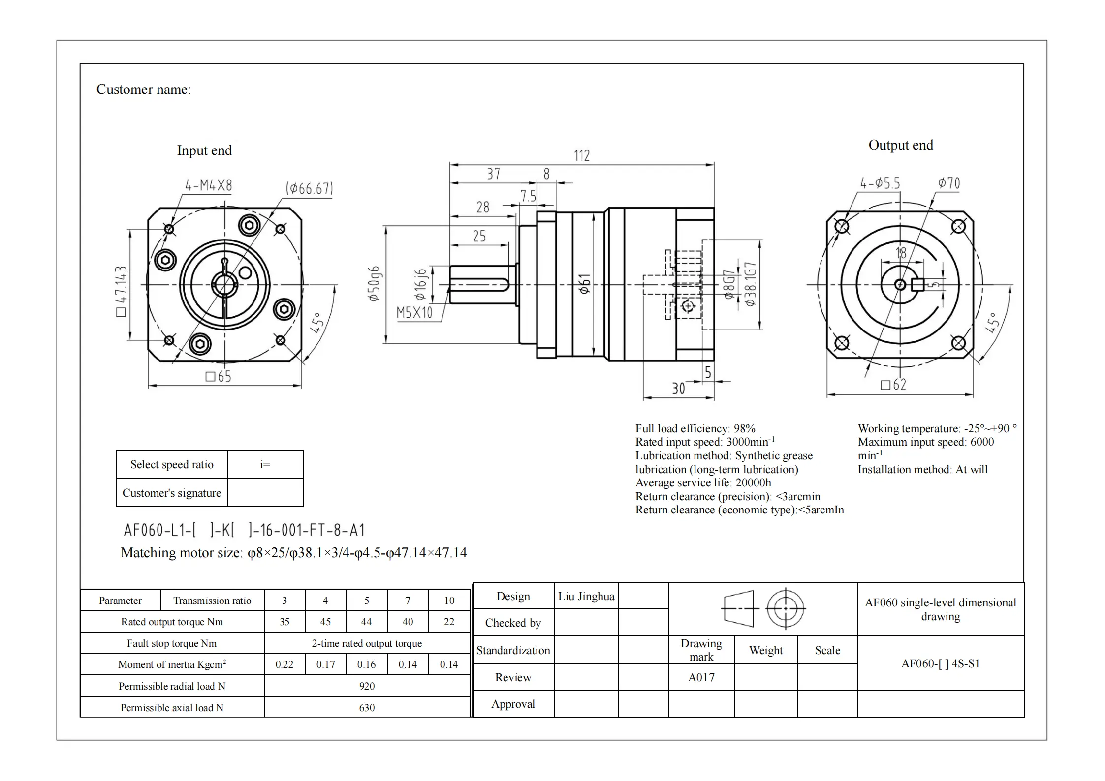
The AF060-[ ]T1-S1 gearbox is engineered for high performance and versatility, offering multiple transmission ratios to suit a variety of applications. This gearbox is available in transmission ratios of 3, 4, 5, 7, and 10, allowing users to select the optimal configuration for their specific operational needs.
Designed for robust output, the rated output torque varies with the transmission ratio. At a ratio of 3, it delivers a maximum torque of 35 Nm, while the 4:1 ratio provides 45 Nm. The 5:1 ratio offers a torque of 44 Nm, and at a ratio of 7, the output torque is 40 Nm. For applications requiring higher speed and lower torque, the 10:1 ratio is rated at 22 Nm, making this gearbox adaptable for various scenarios, whether in industrial machinery, robotics, or automated systems.
In terms of durability, the AF060 gearbox can withstand fault stop torque up to twice the rated output torque, ensuring reliable operation even in unexpected situations. The moment of inertia decreases with higher ratios, with values of 0.22 Kg·cm² at 3, down to 0.14 Kg·cm² at both 7 and 10, facilitating quick starts and stops for dynamic applications.
The gearbox is designed to handle significant loads, with a permissible radial load of 920 N and a permissible axial load of 630 N. This capability allows the AF060 to perform effectively in demanding environments where both radial and axial forces are present.
Constructed with quality materials and precision engineering, the AF060 gearbox ensures longevity and consistent performance. It is suitable for applications that require both torque and speed control, making it a valuable addition to any mechanical system.
In summary, the AF060-[ ]T1-S1 gearbox is a versatile and reliable solution, providing excellent torque performance and adaptability through various transmission ratios. Whether for industrial use or automation, this gearbox delivers the efficiency and durability needed for modern applications. Upgrade your systems with the AF060 gearbox and enjoy the benefits of enhanced performance and reliability.
| ●Motor configuration and performance parameters | |||||||||||||||||||||||||||||||||||||||||||
|
Full load efficiency: 98%
Rated input speed: 3000min-1
Lubrication method: Synthetic grease
lubrication (long-term lubrication)
Average service life: 20000h
Return clearance (precision): <3arcmin
Return clearance (economic type):<5arcmIn
|
|||||||||||||||||||||||||||||||||||||||||||
![AF060-[ ]T1-S1_00](/source/4441d57dcb4dedf03e725954f3d651ed/af060-t1-s1_00.png)
-

test.pdf
Download







Daniel.Ding
Ding