YK-C6075U-ASR-2C-615 High Precision Micro-Adjusting Table with Ball Screw, ±5.5° Stroke, 0.005° Accuracy
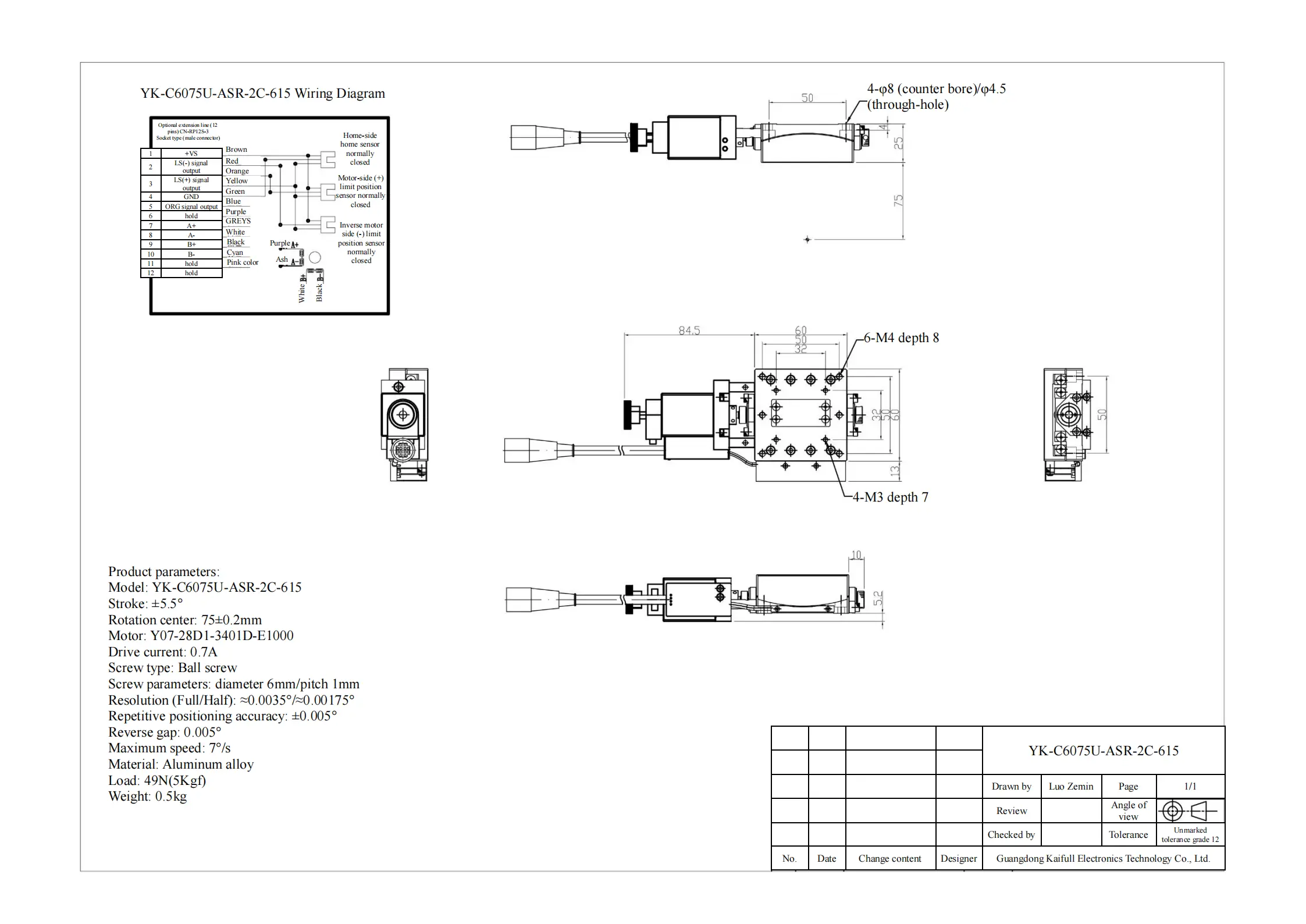
The YK-C6075U-ASR-2C-615 micro-adjusting table offers high precision and reliability for applications requiring fine angle adjustments. With a stroke of ±5.5° and a rotation center tolerance of 75±0.2mm, this device ensures precise motion control with minimal deviation. It features a ball screw with a diameter of 6mm and a pitch of 1mm, which allows for smooth and accurate adjustments with a resolution of ≈0.0035° (Full) and ≈0.00175° (Half).
The table offers exceptional repetitive positioning accuracy of ±0.005° and a reverse gap of only 0.005°, ensuring high stability during operation. Capable of achieving a maximum speed of 7°/s, the YK-C6075U-ASR-2C-615 strikes an ideal balance between speed and precision. Built with an aluminum alloy body, it is lightweight at only 0.5kg while providing a load capacity of up to 49N (5Kgf).
This micro-adjusting table is perfect for precision applications in optical instruments, laboratory settings, and other industrial machinery where accuracy and repeatability are essential.
| ●Motor configuration and performance parameters | ||
|
Product parameters: Model: YK-C6075U-ASR-2C-615 Stroke: ±5.5° Rotation center: 75±0.2mm Motor: Y07-28D1-3401D-E1000 Drive current: 0.7A Screw type: Ball screw Screw parameters: diameter 6mm/pitch 1mm Resolution (Full/Half): ≈0.0035°/≈0.00175° Repetitive positioning accuracy: ±0.005° Reverse gap: 0.005° Maximum speed: 7°/s Material: Aluminum alloy Load: 49N(5Kgf) Weight: 0.5kg |
||








Daniel.Ding
Ding

