0102030405
YK-L4015U-SSR-2C-615 Linear Stage ±7.5mm with High Precision Ball Screw
The YK-L4015U-SSR-2C-615 linear stage is engineered for high-precision linear motion control, offering a stroke of ±7.5mm and designed for demanding applications in scientific research, precision manufacturing, and optics. Driven by a Y07-28D1-3401D-E1000 motor with 0.7A current and a ball screw mechanism (6mm diameter, 1mm pitch), this stage achieves exceptional resolution of 5μm (full step) and 2.5μm (half step). It delivers repeated positioning accuracy of ±1μm and positioning accuracy of 15μm. With straightness of 10μm, parallelism of 20μm, and a reverse clearance of 2.5μm, it ensures superior reliability. Built with durable SUS-440C material, it supports loads up to 98N (10Kgf) and offers a maximum speed of 10mm/s.
| ●Motor configuration and performance parameters | ||
|
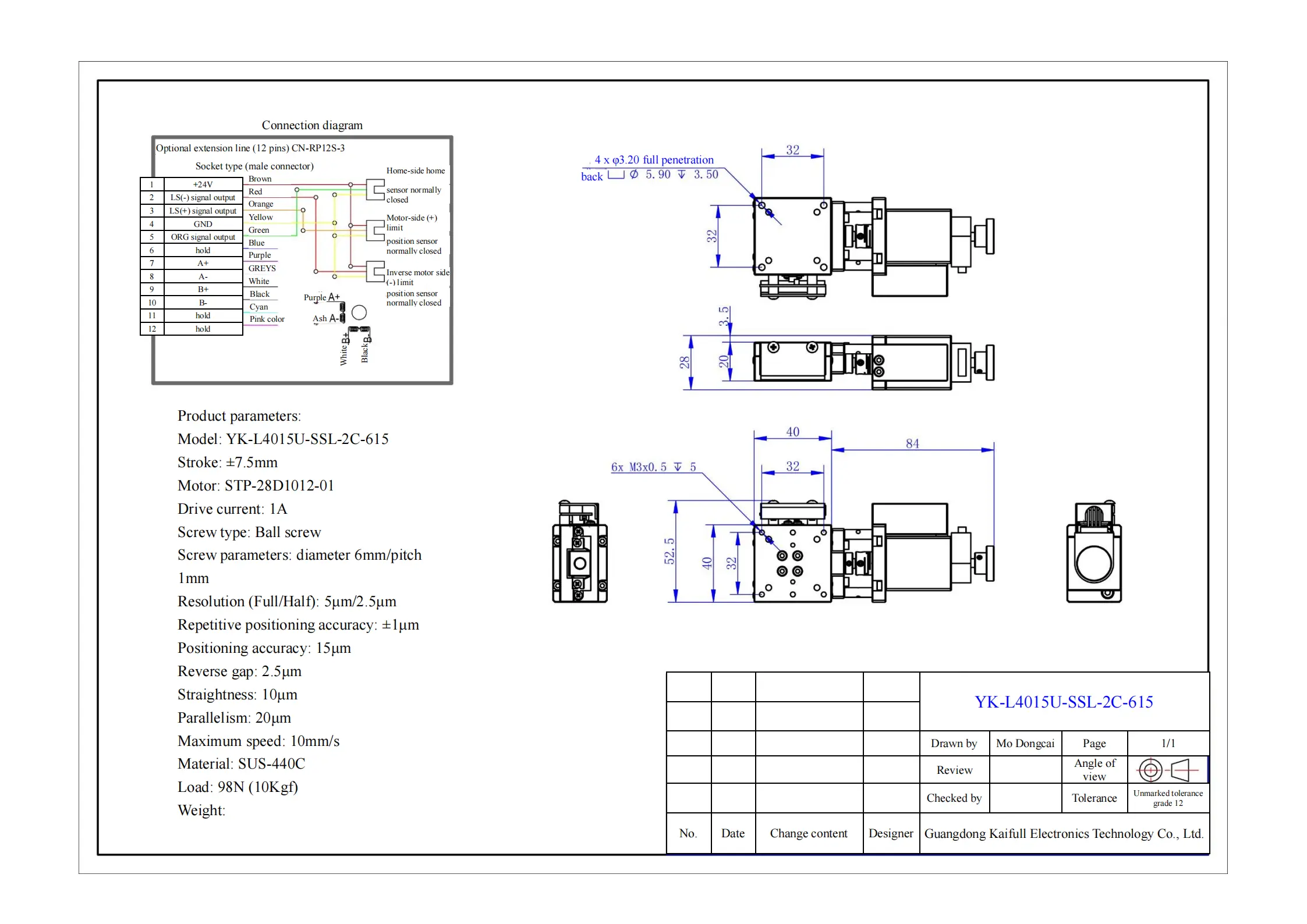
Product parameters:
Model: YK-L4015U-SSL-2C-615
Stroke: ±7.5mm
Motor: STP-28D1012-01
Drive current: 1A
Screw type: Ball screw
Screw parameters: diameter 6mm/pitch 1mm
Resolution (Full/Half): 5μm/2.5μm
Repetitive positioning accuracy: ±1μm
Positioning accuracy: 15μm
Reverse gap: 2.5μm
Straightness: 10μm
Parallelism: 20μm
Maximum speed: 10mm/s
Material: SUS-440C
Load: 98N (10Kgf)
|
||








Daniel.Ding
Ding

