0102030405
YK-L6020U-SSL-2-615 Linear Stage ±10mm Stroke with High Accuracy
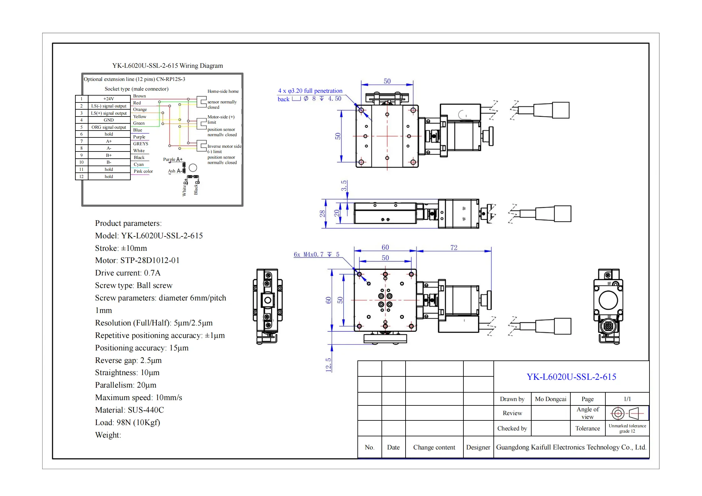
The YK-L6020U-SSL-2-615 linear stage is engineered for precise positioning and smooth operation in advanced motion control applications. Featuring a ±10mm stroke, it is equipped with an STP-28D1012-01 motor (0.7A drive current) and a ball screw system (6mm diameter, 1mm pitch). It achieves resolutions of 5μm (full step) and 2.5μm (half step) with exceptional repetitive positioning accuracy of ±1μm and a positioning accuracy of 15μm. Made from durable SUS-440C material, the stage supports up to 98N (10Kgf) loads while maintaining straightness and parallelism within 10μm and 20μm, respectively, at speeds of up to 10mm/s.
| ●Motor configuration and performance parameters | ||
|
Product parameters:
Model: YK-L6020U-SSL-2-615
Stroke: ±10mm
Motor: STP-28D1012-01
Drive current: 0.7A
Screw type: Ball screw
Screw parameters: diameter 6mm/pitch 1mm
Resolution (Full/Half): 5μm/2.5μm
Repetitive positioning accuracy: ±1μm
Positioning accuracy: 15μm
Reverse gap: 2.5μm
Straightness: 10μm
Parallelism: 20μm
Maximum speed: 10mm/s
Material: SUS-440C
Load: 98N (10Kgf)
|
||








Daniel.Ding
Ding

