Versatile PLF042 Single-Level Gearbox with High Torque Output
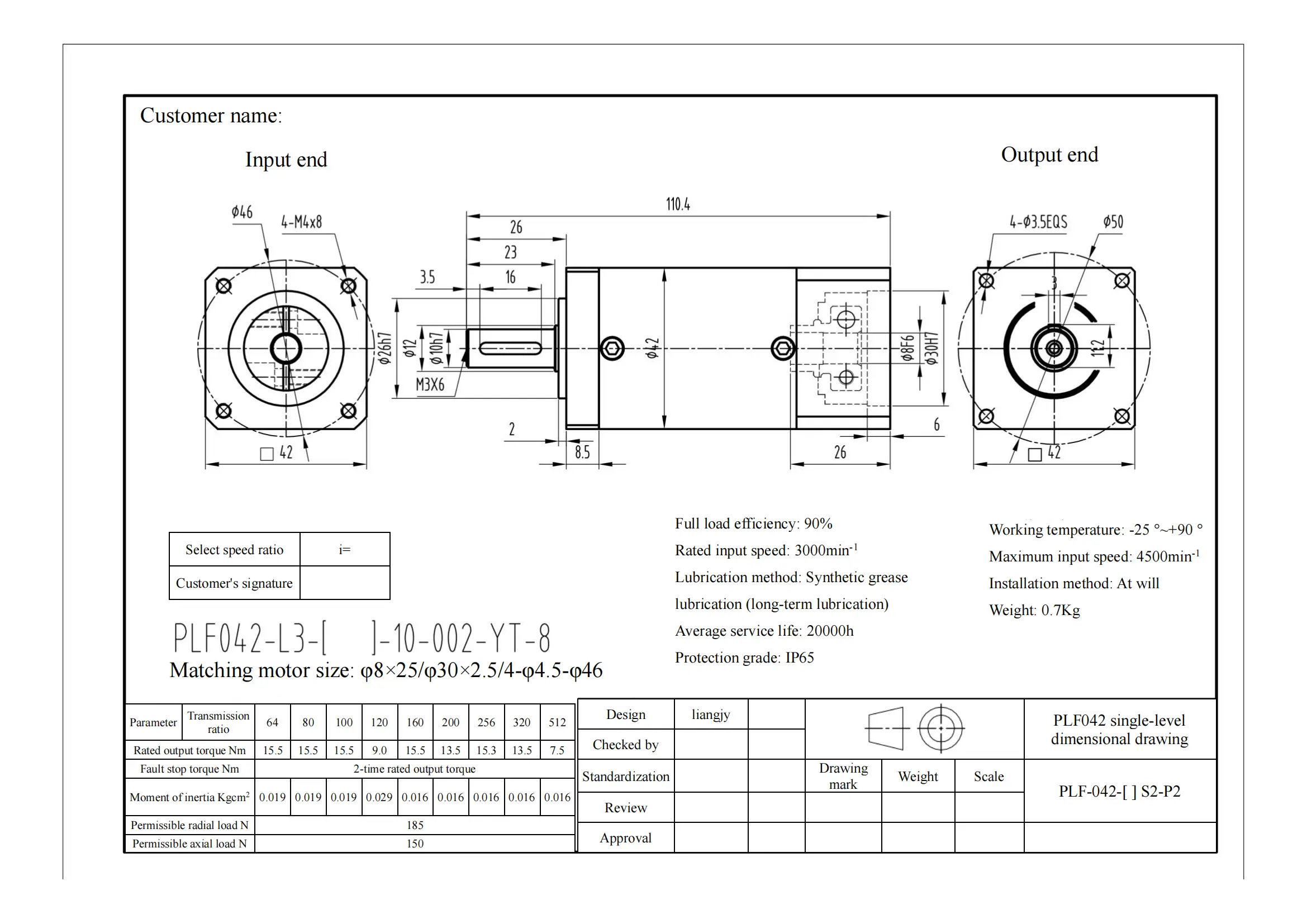
The PLF042 single-level gearbox is designed to provide exceptional performance and reliability across a wide range of applications. This gearbox offers various transmission ratios, including 64, 80, 100, 120, 160, 200, 256, 320, and 512, allowing users to select the most suitable option for their specific needs. Each ratio is optimized to ensure that users achieve the desired balance between speed and torque, catering to both high-speed and high-torque applications.
With a rated output torque of 15.5 Nm for most ratios and a lower torque of 9.0 Nm for the 120 ratio, the PLF042 is engineered to handle substantial loads efficiently. The gearbox is capable of delivering a fault stop torque that is two times the rated output torque, providing an added safety margin during unexpected conditions. This feature is particularly beneficial in dynamic environments where load conditions can fluctuate rapidly.
The moment of inertia for the PLF042 gearbox varies slightly depending on the transmission ratio, ranging from 0.016 to 0.029 Kgcm². This low moment of inertia ensures quick response times and reduces wear during operation, which is critical in applications requiring precise movements or rapid changes in direction. Furthermore, the gearbox can withstand a permissible radial load of 185 N and a permissible axial load of 150 N, making it robust enough for demanding environments.
The PLF042 gearbox’s compact design and versatile performance make it an ideal choice for applications in robotics, automation, and machinery where space and efficiency are crucial. Its durability and adaptability allow for seamless integration into existing systems, providing a reliable solution for enhancing productivity.
| ●Motor configuration and performance parameters | |||||||||||||||||||||||||||||||||||||||||||||||||||||||||||||||||||
|
Full load efficiency: 90% Rated input speed: 3000min-1 Lubrication method: Synthetic grease lubrication (long-term lubrication) Average service life: 20000h Protection grade: IP65
|
|||||||||||||||||||||||||||||||||||||||||||||||||||||||||||||||||||








Daniel.Ding
Ding
