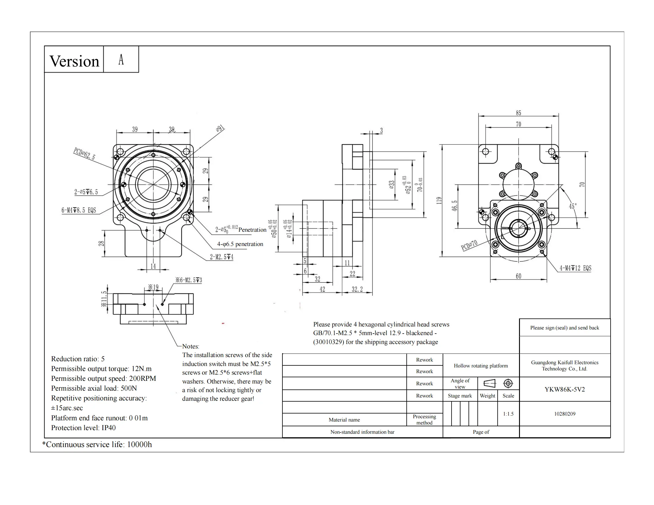
High Torque Hollow Rotary Platform YKW85K-5V2 – 85mm, 5:1 Reduction Ratio
The YKW85K-5V2 Hollow Rotary Platform offers superior performance in high-torque and precise rotational movements. Designed with an 85mm size and a 5:1 reduction ratio, this platform is ideal for applications requiring high load capacity, precise positioning, and rotational accuracy. The K-Vertical reducer connection mode ensures stable torque transmission, while the 33mm hollow shaft provides flexibility for routing cables or other components through the platform.
With an allowable output torque of 20N·m, it can handle axial loads of 30N and radial forces of 20N·m, making it suitable for demanding applications. It offers a maximum output speed of 200 RPM and provides ≤3 arc-min positioning accuracy and ≤±15 arc-sec repeated positioning accuracy. This makes it ideal for use in robotics, automated systems, and high-precision machinery that require compact, efficient rotational platforms.
Key Features:
- High Torque Performance: The 20N·m output torque enables the platform to handle demanding loads and high-torque applications.
- Large Hollow Shaft: The 33mm hollow shaft allows for flexible cable routing and better integration with complex systems.
- High Load Capacity: Capable of handling axial loads of 30N and radial forces of 20N·m, ideal for heavy-duty applications.
- Precise Rotation: ≤3 arc-min positioning accuracy and ≤±15 arc-sec repeated accuracy provide high precision for robotics and automation systems.
- Compact and Efficient: The 85mm size combined with a 5:1 reduction ratio makes this platform compact yet highly efficient for various industrial applications.
- Motor Compatibility: Designed for motors with 14mm shaft diameter, 70mm PCD, and M5 motor mounting, making it easy to integrate into motion systems.
- Maximum Speed: With a maximum speed of 200 RPM, the platform offers a good balance between precision and operational speed.
The YKW85K-5V2 rotary platform is perfect for high-performance tasks in robotics, automation, and precision machinery, providing reliable torque, high load capacity, and precise rotational movements.











| ●Motor configuration and performance parameters | |||||||||||||||||||||||||
|
|||||||||||||||||||||||||








Daniel.Ding
Ding

