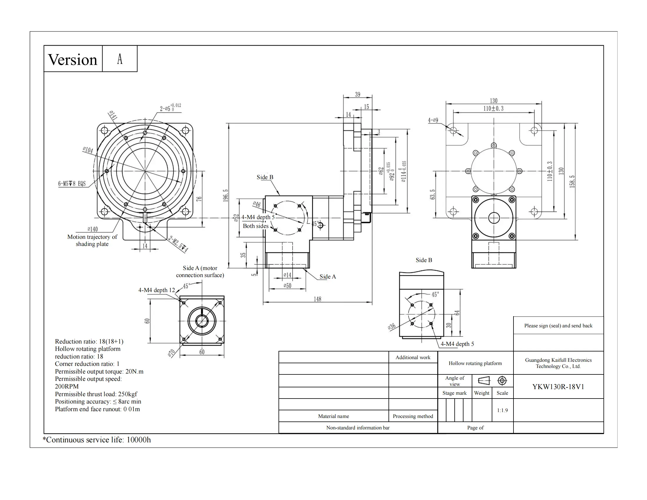
YKW130R-18V1 Rotary Platform with 18:1 Precision Ratio
The YKW130R-18V1 rotary platform is a high-performance solution designed to meet the demands of precision motion control systems. With an allowable torque of 20 N·m and support for axial loads up to 100 kg and radial forces of 60 N·m, this platform offers robust capabilities for industrial automation and robotics applications. Its reduction ratio of 18:1 and a disk rotation speed of up to 720°/sec deliver efficient and smooth operations across various tasks.
This model achieves exceptional precision, featuring a positioning accuracy of 3 arc-min and a repetitive positioning accuracy of ≤±15 arc-sec, ensuring consistent and reliable performance. Built to last, it offers an accuracy life exceeding 15,000 cycles under intermittent operation, making it a durable choice for continuous use in high-accuracy environments.
Weighing only 2.8 kg, the YKW130R-18V1 is compact yet powerful. It includes a V1 motor interface with a 14mm shaft diameter, PCD of ф70, and M4 mounting threads, facilitating seamless integration into diverse setups. Its IP40 ingress protection rating guarantees operation in clean and controlled settings, making it ideal for industries such as robotics, precision assembly, and semiconductor manufacturing.
Choose the YKW130R-18V1 for advanced motion control needs, combining precision, durability, and adaptability in one compact platform.








| ●Motor configuration and performance parameters | |||||||||||||||||||||||||
|
|||||||||||||||||||||||||








Daniel.Ding
Ding

