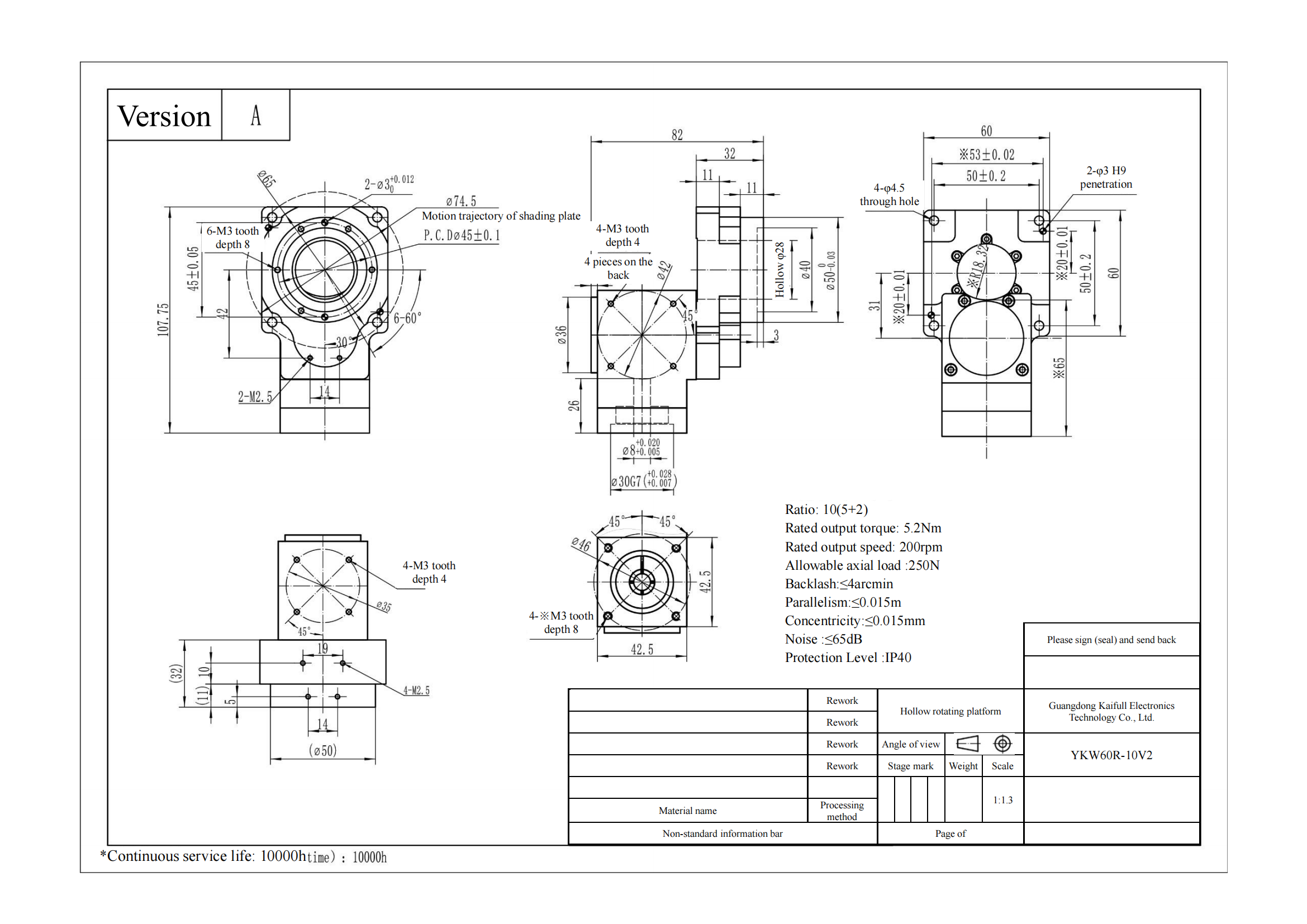
High Precision Hollow Rotary Platform YKW60R-10V2 – 60mm, 10:1 Reduction Ratio
The YKW60R-10V2 Hollow Rotary Platform is designed for high-precision, low-backlash rotational applications, featuring a 10:1 reduction ratio in a compact 60mm size. The platform utilizes a corner two-teeth (R) connection mode for reliable torque transmission and is adaptable to an 8mm motor shaft with a 46mm PCD for precise control. The hollow shaft design, with a 28mm diameter, allows the passage of cables or other elements, offering flexibility and space-saving benefits. This platform is capable of handling 5N·m of output torque, making it ideal for use in automated systems, robotics, and other industrial machinery requiring compact and precise rotational motion.
Key Features:
- Compact Size: The 60mm form factor is perfect for tight spaces, maintaining high precision without taking up too much room.
- Hollow Shaft Design: A 28mm hollow shaft provides an efficient way to route cables or components, ideal for space-constrained setups.
- High Precision: With ≤3 arc-min positioning accuracy and ≤±15 arc-sec repeated positioning accuracy, this platform delivers exceptional precision for complex rotational tasks.
- Torque and Load Handling: The platform supports an output torque of 5N·m, axial loads up to 10N, and radial forces of 5N·m, ensuring robustness in demanding environments.
- Motor Compatibility: Compatible with motors that have an 8mm shaft diameter, 46mm PCD, and M4 motor mounting for seamless integration.
- High-Speed Performance: The platform operates at 200 RPM, making it ideal for applications requiring both speed and accuracy.
- Versatile Application: Perfect for robotic arms, automated machines, CNC equipment, and other motion control systems where precision, torque, and speed are essential.
The YKW60R-10V2 is perfect for a variety of industrial and automation tasks, where high-precision rotational movement and space efficiency are required.











| ●Motor configuration and performance parameters | |||||||||||||||||||||||||
|
|||||||||||||||||||||||||

-

YKW60R-10V2.PDF
Download







Daniel.Ding
Ding