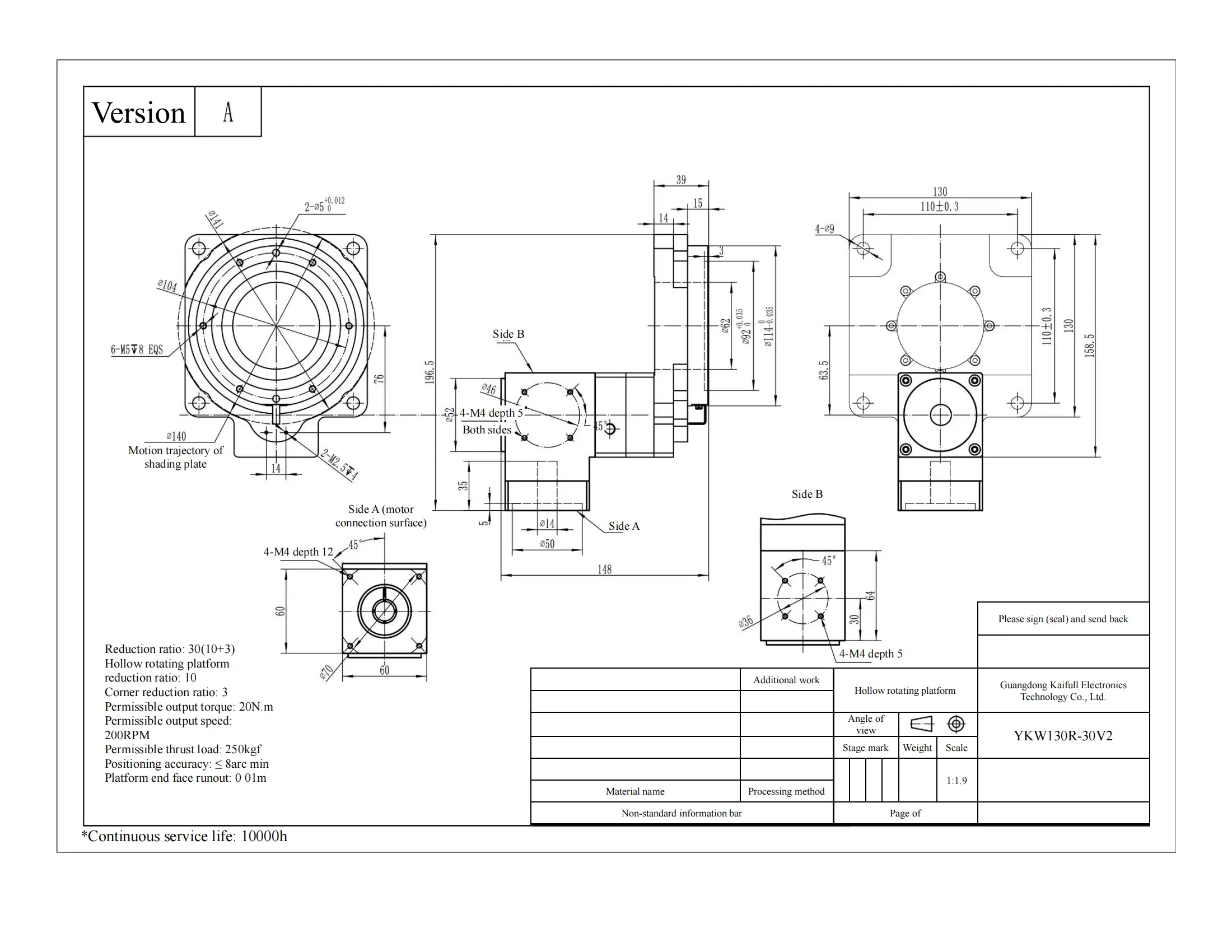
High Torque Hollow Rotary Platform YKW130R-30V2 – 130mm, 30:1 Reduction Ratio
The YKW130R-30V2 Hollow Rotary Platform is designed for high precision and reliability in demanding industrial applications. With a 130mm size and 30:1 reduction ratio, it delivers 45N·m output torque, making it suitable for high-load tasks in robotics, automation, and CNC systems. The 62mm hollow shaft design allows for seamless integration and cable management, while the 100N axial load and 60N·m radial force capacity ensures durability under heavy-duty conditions.
This rotary platform offers 8 arc-min positioning accuracy and ≤±30 arc-sec repeated positioning accuracy, ensuring precise and consistent performance. Capable of reaching a maximum speed of 200 RPM, it is ideal for tasks requiring a balance of speed and torque.
Key Features:
- Output Torque: Capable of 45N·m output torque, ideal for high-load applications.
- Hollow Shaft Design: Features a 62mm hollow shaft, facilitating cable management and compact integration.
- Precision Motion: 8 arc-min positioning accuracy and ≤±30 arc-sec repeatability for high-precision control.
- Heavy Duty Load: Supports a 100N axial load and 60N·m radial force for robust operation.
- Speed Control: Maximum speed of 200 RPM, offering flexibility for various tasks.
- Motor Compatibility: Designed for 14mm shaft diameter motors with M5 mounting and PCD=70mm.
The YKW130R-30V2 is an ideal choice for applications requiring high torque, high precision, and reliability in automated systems, robotics, and CNC machinery.








| ●Motor configuration and performance parameters | |||||||||||||||||||||||||
|
|||||||||||||||||||||||||








Daniel.Ding
Ding

