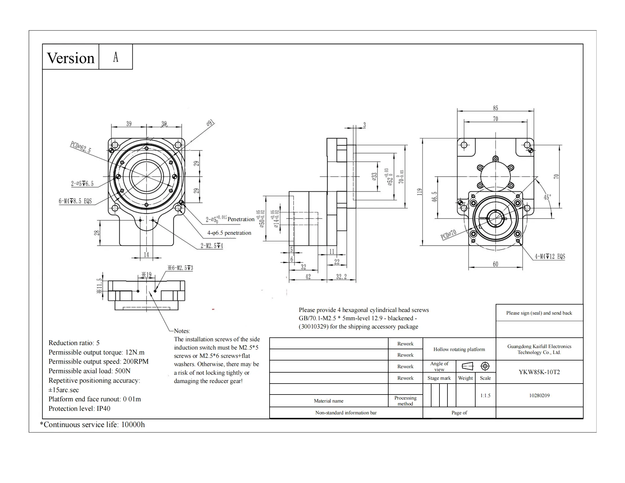
YKW85K-10T2 High-Precision Rotary Platform
The YKW85K-10T2 rotary platform is engineered for industrial precision and efficiency, offering a reduction ratio of 10 and an allowable torque of 10 N·m. It supports axial loads up to 30 kg and radial forces of 20 N·m, making it ideal for high-demand operations. Featuring a positioning accuracy of 3 arc-min and repetitive positioning accuracy of ≤±15 arc-sec, it ensures consistent performance in critical applications. Designed for durability, it boasts an accuracy life exceeding 15,000 cycles in intermittent operations. The T2 motor specification provides a ф8 interface, a PCD of ф70, and M4 mounting, ensuring versatile integration across different systems.











| ●Motor configuration and performance parameters | |||||||||||||||||||||||||
|
|||||||||||||||||||||||||








Daniel.Ding
Ding

