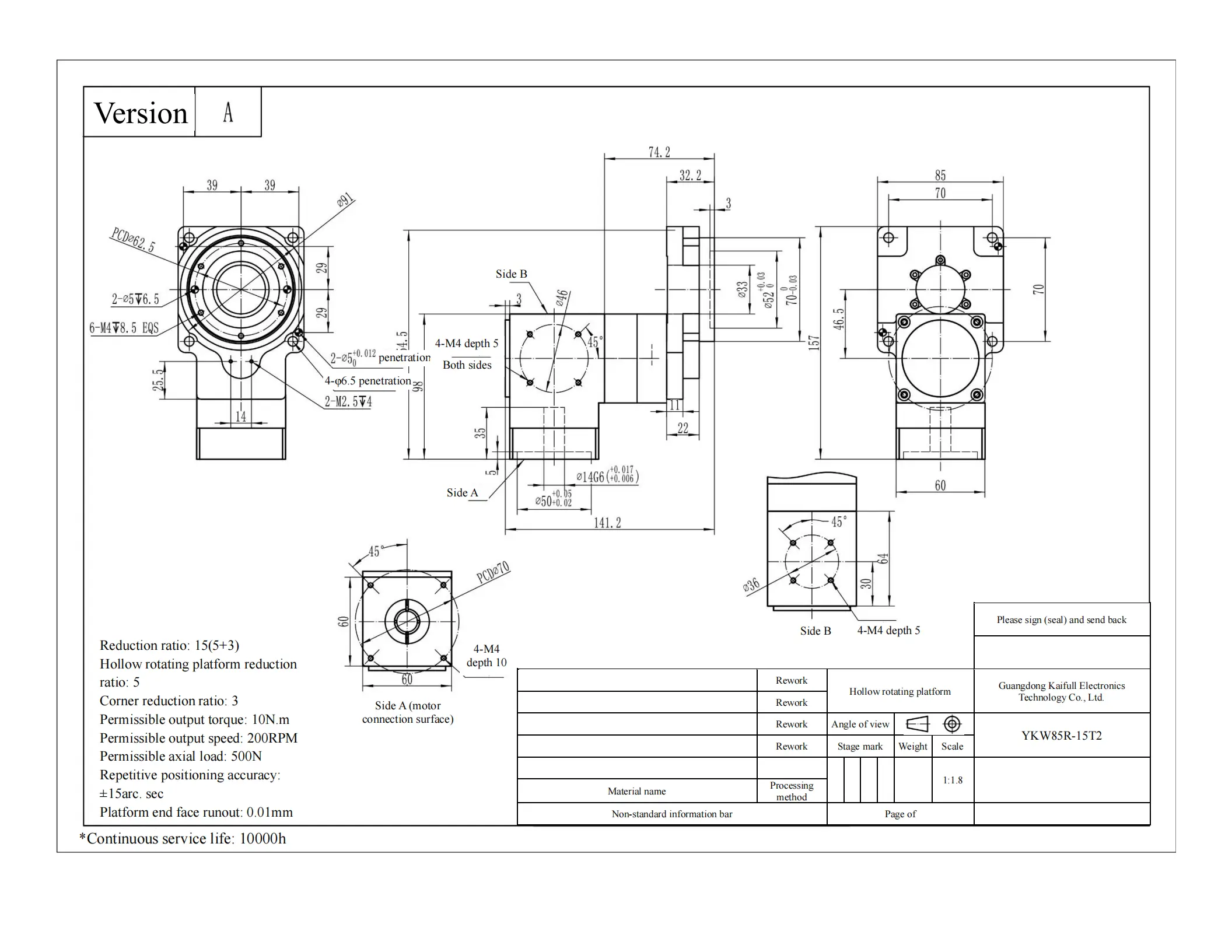
YKW85R-15T2 Rotary Platform with T2 Motor Interface
The YKW85R-15T2 rotary platform is engineered to deliver high-precision performance and exceptional durability for industrial applications. With an allowable torque of 20 N·m and a reduction ratio of 15, it supports fast and accurate disk rotations of up to 720°/sec. This model is designed to handle axial loads of up to 30 kg and radial forces of 20 N·m, making it ideal for demanding environments. The platform offers a positioning accuracy of 8 arc-min and repetitive positioning accuracy of ≤±30 arc-sec, ensuring consistent and precise operations. Its T2 motor interface features a diameter of ф8, a pitch circle diameter (PCD) of ф70, and M4 mounting compatibility for easy system integration. Weighing 2.5 kg, the YKW85R-15T2 is rated IP40 and has an accuracy lifespan exceeding 15,000 cycles under intermittent operation, meeting the needs of industries such as robotics, manufacturing, and automation.











| ●Motor configuration and performance parameters | |||||||||||||||||||||||||
|
|||||||||||||||||||||||||








Daniel.Ding
Ding

