YKW60R-15V1 Precision Rotary Platform for Enhanced Control
The YKW60R-15V1 rotary platform is designed to meet the needs of modern industrial applications requiring precise movement and robust performance. With an allowable torque of 5 N·m and the capability to handle axial loads of up to 10 kg, this platform is well-suited for tasks in robotics, automation, and material handling.
Featuring a reduction ratio of 15:1, the YKW60R-15V1 enables swift rotational speeds of up to 720° per second, facilitating rapid adjustments and enhancing operational efficiency. This characteristic is crucial for applications where quick and accurate positioning is necessary.
Precision is a key feature, as evidenced by the platform's positioning accuracy of 8 arc-min and repetitive positioning accuracy of ≤±30 arc-sec. Such specifications guarantee consistent and reliable performance in applications that demand high levels of accuracy.
The YKW60R-15V1 boasts an impressive operational lifespan, rated for over 15,000 cycles during intermittent use, making it a durable choice for continuous operations. Its IP40 rating ensures protection against dust and other particles, contributing to its reliability in various environments.
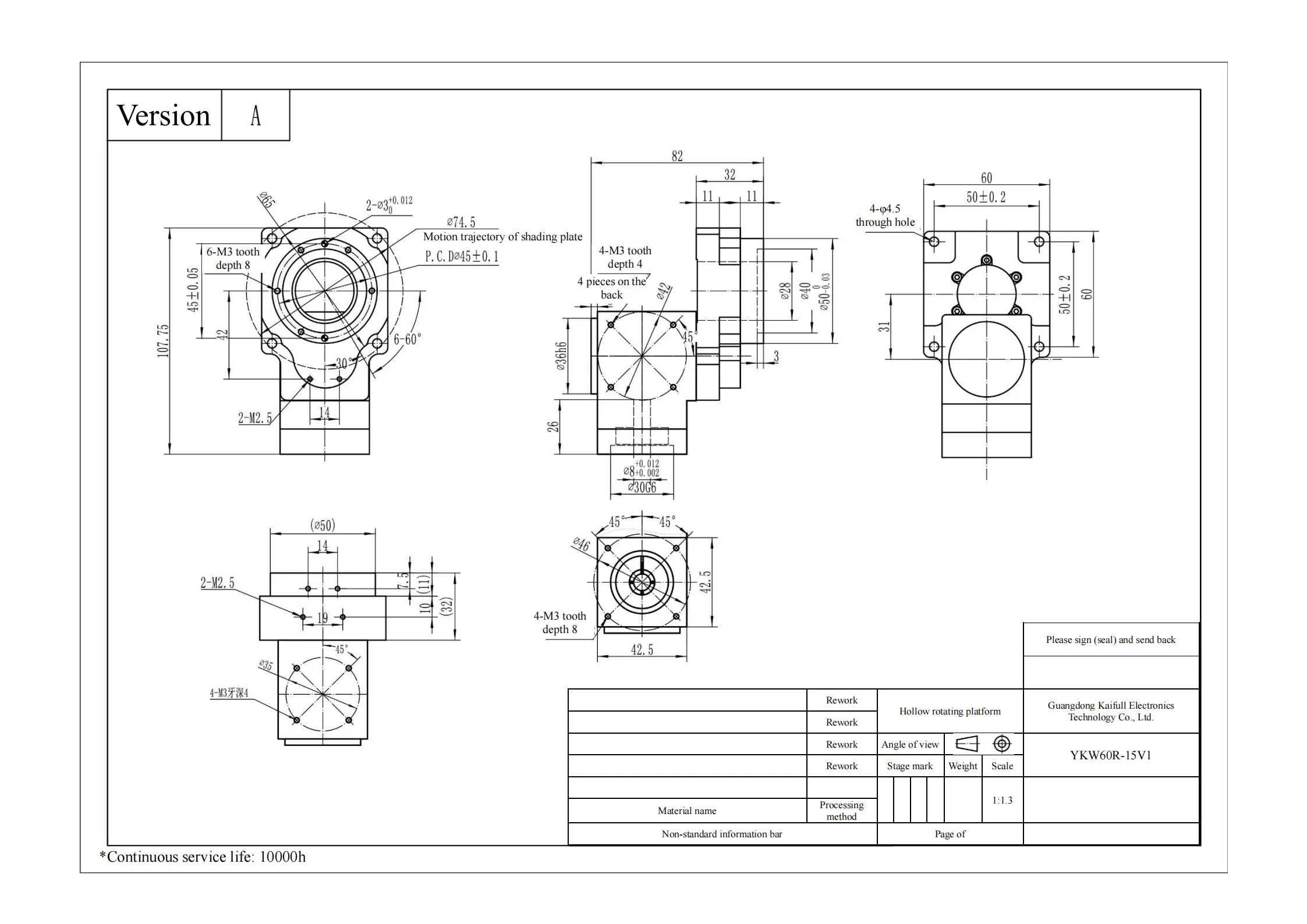
Weighing in at just 1.5 kg, this platform is designed for easy integration into existing setups. It is compatible with motor specifications V1 (ф=ф8, PCD=PCDф45, M=M3), allowing for straightforward installation.
Opt for the YKW60R-15V1 rotary platform for a perfect blend of precision, speed, and durability in your automation projects.











| ●Motor configuration and performance parameters | |||||||||||||||||||||||||
|
|||||||||||||||||||||||||








Daniel.Ding
Ding

