High Torque Hollow Rotary Platform YKW130R-18V2 – 130mm, 18:1 Reduction Ratio
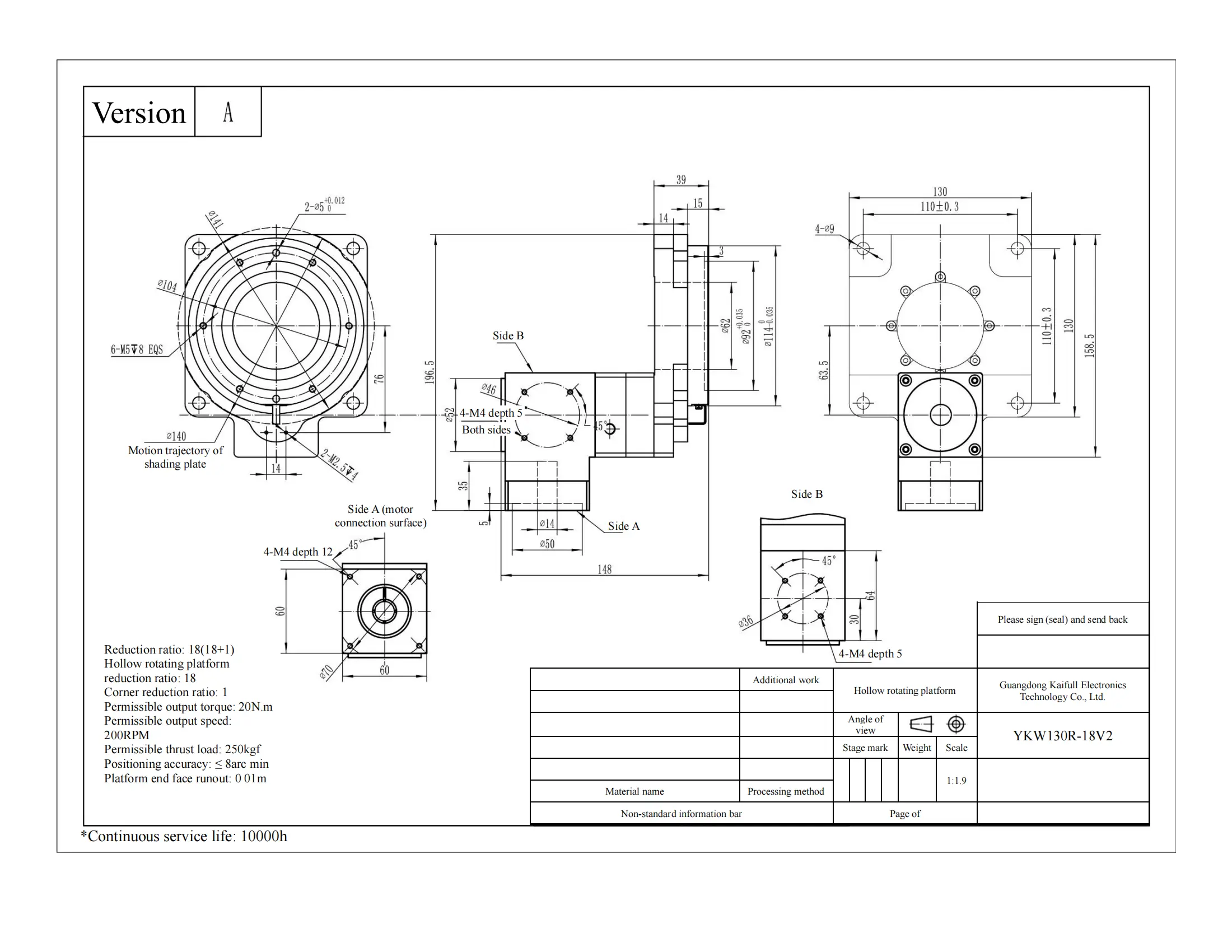
The YKW130R-18V2 Hollow Rotary Platform offers precise rotational control with a 130mm size and 18:1 reduction ratio. It provides 20N·m output torque, making it ideal for medium to high-load applications in automation, robotics, and CNC systems. Featuring a 62mm hollow shaft, this platform enables easy cable management and integration into various mechanical setups. It supports a 100N axial load and 60N·m radial force, ensuring robust performance and durability.
The YKW130R-18V2 delivers 8 arc-min positioning accuracy and ≤±30 arc-sec repeated positioning accuracy, providing high precision for tasks requiring exact rotational control. With a maximum speed of 200 RPM, it is versatile enough for a range of operational requirements.
Key Features:
- Output Torque: Delivers 20N·m output torque, suitable for medium to heavy-duty applications.
- Hollow Shaft Design: Features a 62mm hollow shaft, ideal for space-saving and easy integration of cables.
- Precision Motion: 8 arc-min positioning accuracy and ≤±30 arc-sec repeatability for precise control.
- Heavy Duty Load: Can handle 100N axial load and 60N·m radial force for demanding tasks.
- Speed Control: Supports a maximum speed of 200 RPM, offering flexibility in speed settings.
- Motor Compatibility: Compatible with motors having a 14mm shaft diameter, 70mm PCD, and M5 motor mounting.
The YKW130R-18V2 rotary platform is perfect for applications requiring high precision and torque in robotics, CNC, and automation systems.








| ●Motor configuration and performance parameters | |||||||||||||||||||||||||
|
|||||||||||||||||||||||||

-

YKW130R-18V2.PDF
Download







Daniel.Ding
Ding