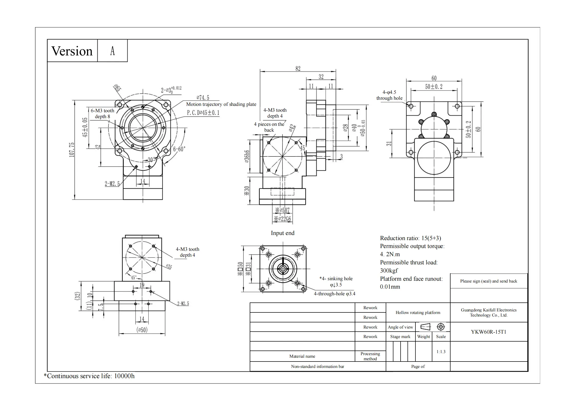
YKW60R-15T1 High-Performance Hollow Rotary Platform with 15:1 Ratio
The YKW60R-15T1 hollow rotary platform is designed for precision control in industrial automation applications. Featuring a 15:1 reduction ratio, it provides smooth, controlled motion with an allowable torque of 5 N.m. It is capable of handling axial loads up to 10 kg and radial forces of 5 N.m, making it well-suited for a range of automation processes. The platform operates with a disk rotation speed of up to 720° per second, ensuring high efficiency in fast-paced environments.
With a positioning accuracy of 8 arc-min and a repetitive positioning accuracy of ≤±30 arc-sec, this rotary platform offers the precision required for tasks involving exact movements. Its accuracy life spans over 15,000 cycles in intermittent operation, ensuring long-term reliable performance. The IP40-rated design provides protection against dust and debris, further extending its lifespan and ensuring durability.
Constructed from high-quality materials, the YKW60R-15T1 is engineered for ease of integration into complex systems. Its hollow center allows for efficient cable routing and component placement, making it an ideal solution for robotics, packaging, and other industrial machinery. The compact form factor, weighing 1.5 kg, allows for seamless integration into various mechanical setups, maximizing system efficiency and functionality.











| ●Motor configuration and performance parameters | |||||||||||||||||||||||||
|
|||||||||||||||||||||||||








Daniel.Ding
Ding

