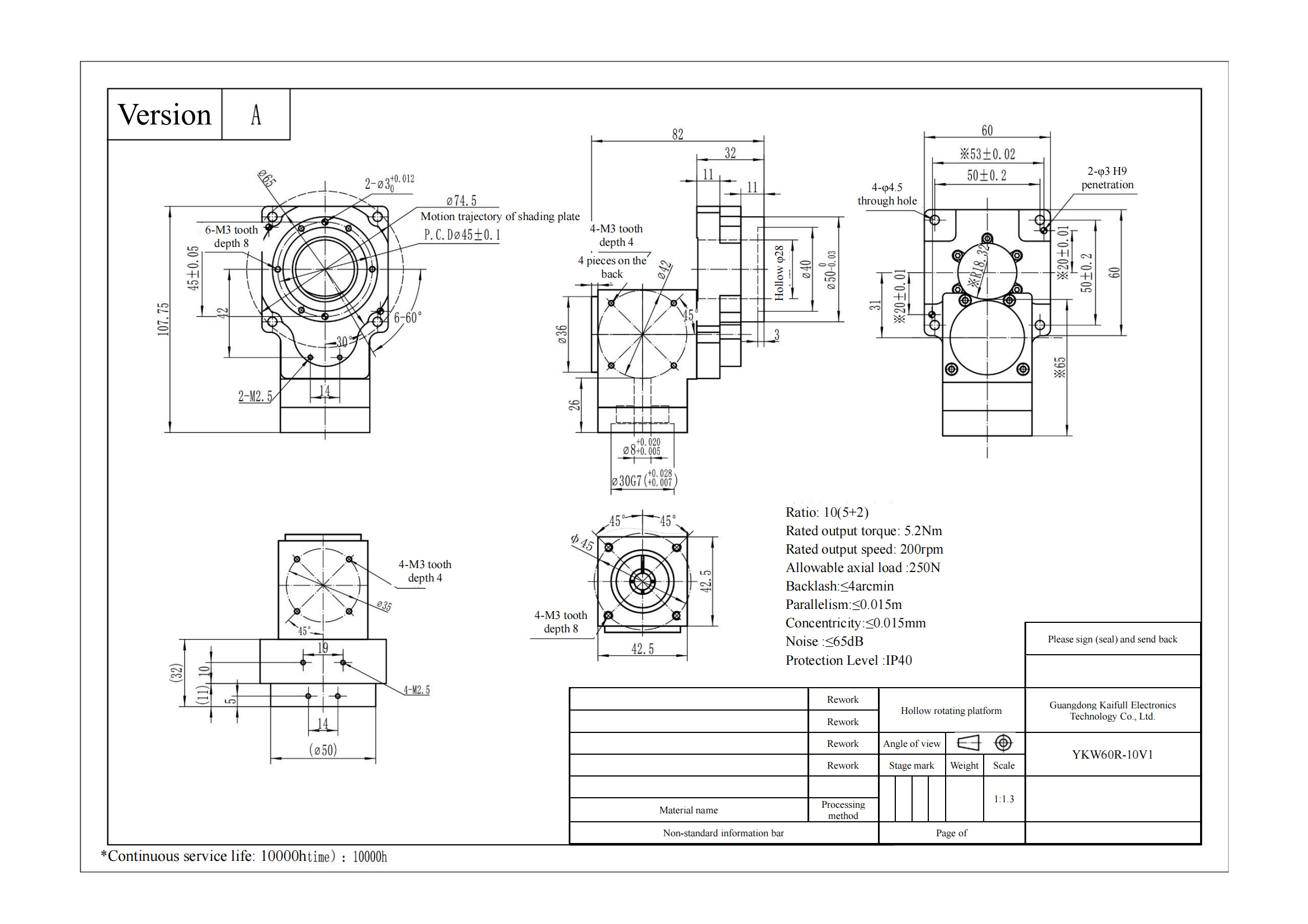
High Precision Hollow Rotary Platform YKW60R-10V1 – 60mm, 10:1 Reduction Ratio
The YKW60R-10V1 Hollow Rotary Platform is designed for precise rotational applications, offering a 10:1 reduction ratio in a compact 60mm form factor. This platform features a corner two-teeth (R) connection mode and is compatible with an 8mm motor shaft for excellent rotational precision and torque. With a hollow shaft diameter of 28mm, it allows for efficient space utilization, making it ideal for use in robotic, automation, and industrial machinery systems where space is at a premium but high precision and torque are essential.
Key Features:
- Compact 60mm Size: The YKW60R-10V1 provides a small footprint, perfect for systems requiring high-precision rotational movements without occupying excessive space.
- Hollow Shaft Design: The 28mm hollow shaft accommodates cables and other components, allowing for better space efficiency and flexibility.
- Motor Compatibility: Uses a K-type motor with an 8mm shaft diameter for reliable, high-performance operations.
- Torque Capacity: Capable of handling 5N·m of output torque, making it suitable for heavy-duty industrial applications.
- Positioning Accuracy: With a positioning accuracy of ≤3 arc-min and repeated positioning accuracy of ≤±15 arc-sec, this platform ensures precise and repeatable rotational movement.
- High-Speed Performance: Operates at speeds up to 200 RPM, providing fast and efficient rotational performance without compromising precision.
- Load Handling: Supports axial loads up to 10N and radial forces of 5N·m, ensuring durability and stability in demanding conditions.
The YKW60R-10V1 is ideal for applications in robotics, automation, and other industrial applications where precision, compactness, and torque are key requirements.











| ●Motor configuration and performance parameters | |||||||||||||||||||||||||
|
|||||||||||||||||||||||||

-

YKW60R-10V1.PDF
Download







Daniel.Ding
Ding