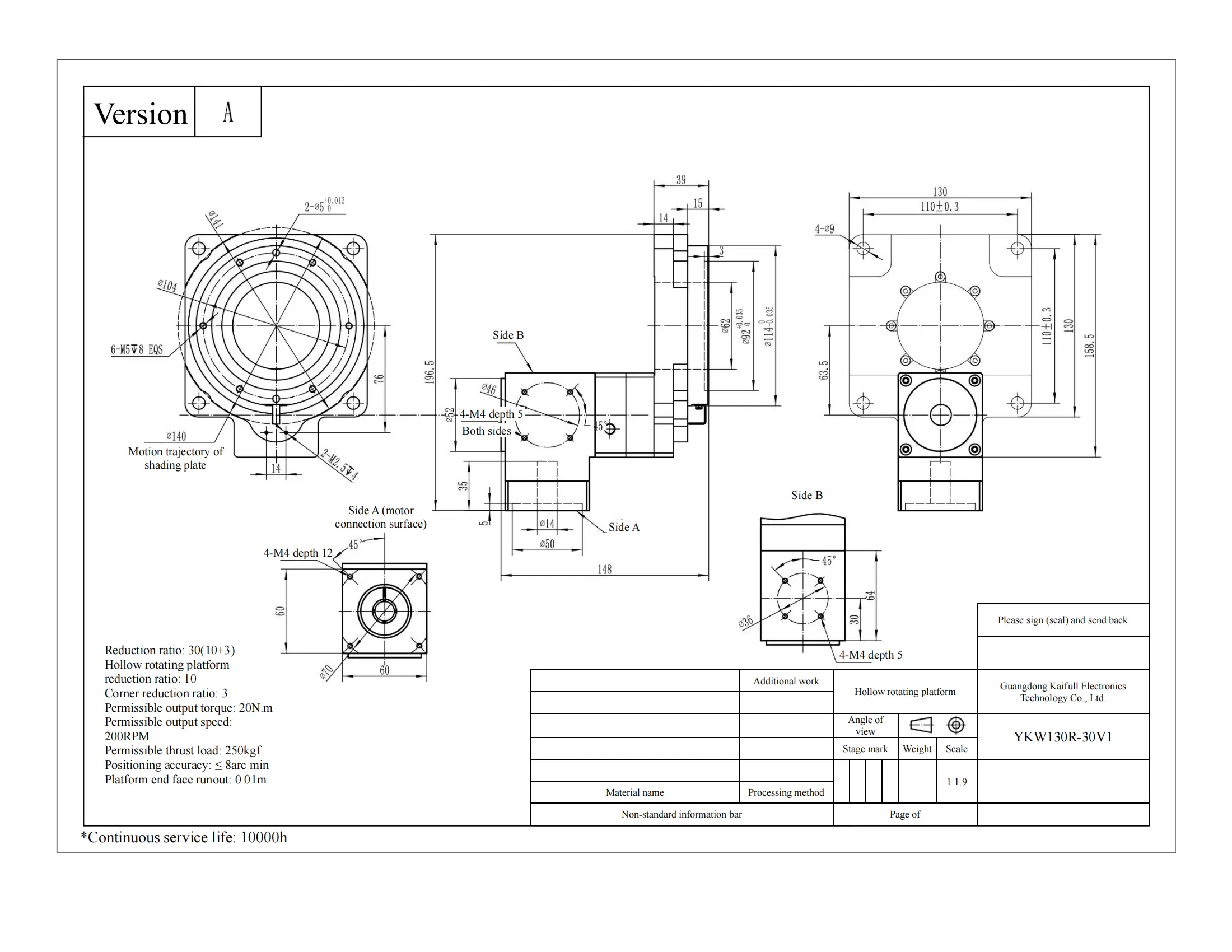
YKW130R-30V1 High-Precision Rotary Platform
The YKW130R-30V1 rotary platform is designed to provide exceptional performance in demanding industrial applications, offering a high allowable torque of 45 N·m. Engineered for durability, it accommodates axial loads of up to 100 kg and radial forces of 60 N·m, ensuring stability and reliability during operation. Its disk rotation speed reaches up to 720°/sec, supported by a reduction ratio of 30 for optimal control and efficiency.
With positioning accuracy ranging from 8 arc-min to 5 arc-min, and repetitive positioning accuracy between ≤±30 arc-sec and ≤±20 arc-sec, this platform ensures consistent precision across its lifespan, exceeding 15,000 cycles under intermittent use. Its motor specification features a 14mm shaft diameter, a PCD of ф70, and M4 mounting threads for straightforward integration into a wide range of systems.
Weighing 4.2 kg and rated IP40 for ingress protection, the YKW130R-30V1 is ideal for controlled industrial environments such as automation systems, precision assembly lines, and inspection equipment. This rotary platform combines robustness and precision, delivering reliable motion control for advanced applications.








| ●Motor configuration and performance parameters | |||||||||||||||||||||||||
|
|||||||||||||||||||||||||








Daniel.Ding
Ding

