YKW130K-10T2 Rotary Platform with T2 Motor Interface
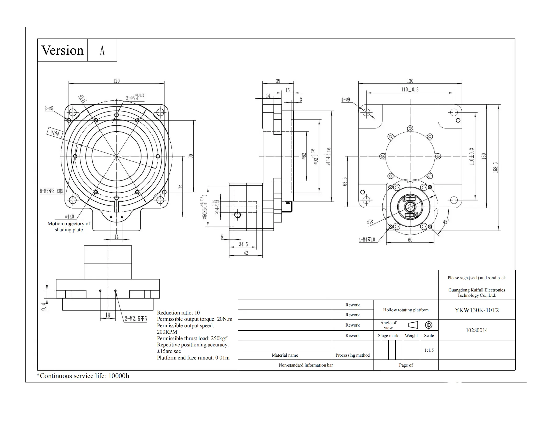
The YKW130K-10T2 rotary platform is designed for high-torque, high-precision applications, offering an allowable torque of 45 N·m. With a reduction ratio of 10 and a disk rotation speed of 720°/sec, it ensures rapid and smooth movements for demanding industrial tasks. The platform can support axial loads of up to 100 kg and radial forces of 60 N·m, making it suitable for heavy-duty operations. Its positioning accuracy of 3 arc-min and repetitive positioning accuracy of ≤±15 arc-sec guarantee reliability in high-precision automation systems. The T2 motor interface, featuring a shaft diameter of ф8, PCD of ф70, and M4 mounting threads, ensures easy integration with compatible motors. With a mass of 2.8 kg and an IP40 ingress protection rating, this platform is designed for durability and efficient operation in industrial environments. Additionally, the platform offers an accuracy life of over 15,000 cycles under intermittent operation, ensuring extended operational reliability.








| ●Motor configuration and performance parameters | |||||||||||||||||||||||||
|
|||||||||||||||||||||||||








Daniel.Ding
Ding

