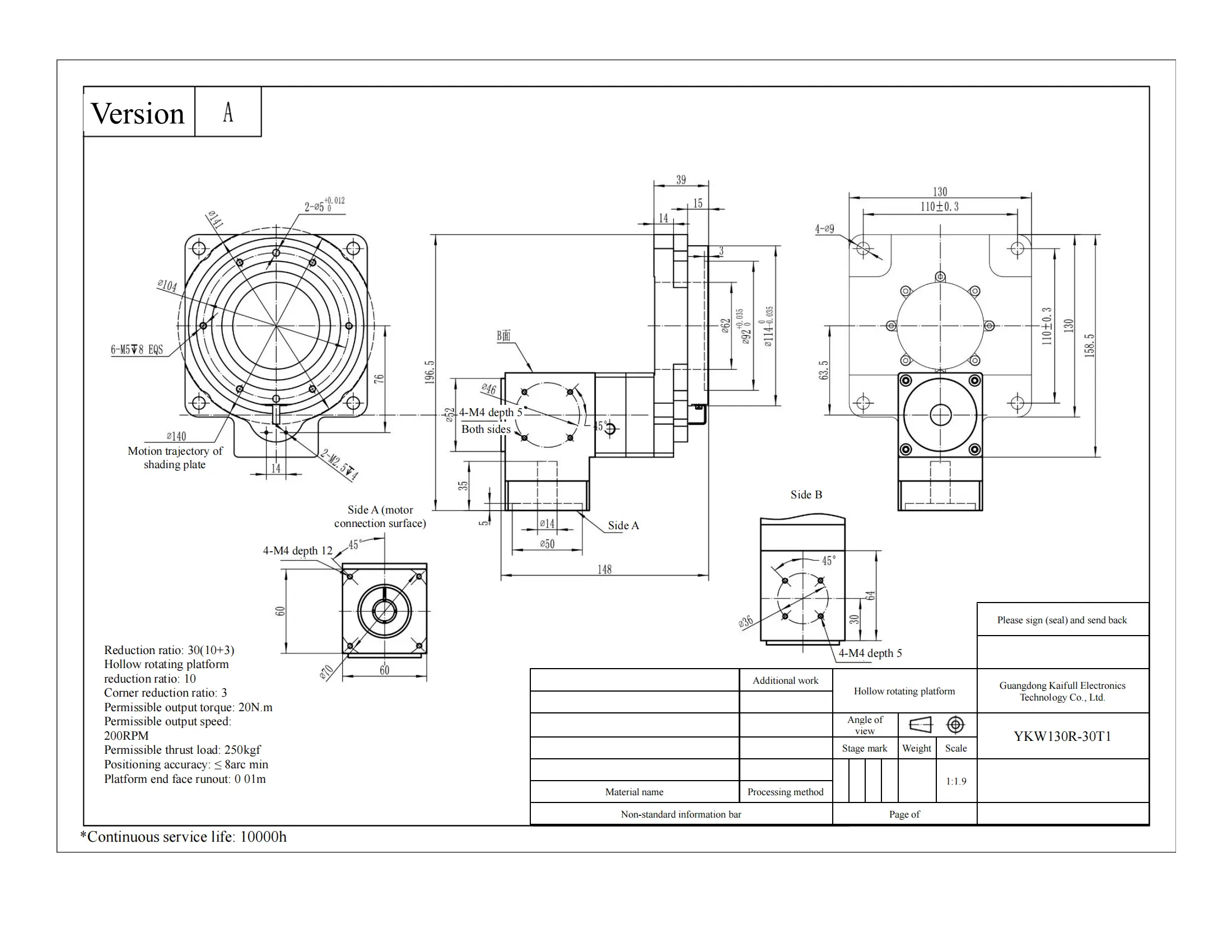
YKW130R-30T1 High-Precision Rotary Platform with 30:1 Reduction Ratio
The YKW130R-30T1 rotary platform is engineered for high-precision applications in industrial automation, robotics, and motion control. This platform boasts an impressive allowable torque of 45 N.m and can support axial loads of up to 100 kg, alongside a radial force capacity of 60 N.m. Designed for applications requiring swift and accurate movement, it offers a maximum disk rotation speed of 720° per second.
Equipped with a 30:1 reduction ratio, the YKW130R-30T1 ensures smooth and controlled motion, making it ideal for tasks that demand high torque at lower speeds. It delivers exceptional positioning accuracy of 8 arc-min and achieves a remarkable repetitive positioning accuracy of ≤±30 arc-sec, which can be further enhanced to ≤±20 arc-sec for specific applications.
Constructed to endure the rigors of continuous use, this rotary platform provides an impressive accuracy life of over 15,000 cycles under intermittent operation. Its IP40 rating protects it against dust, ensuring reliable operation in various environments. Weighing 4.2 kg, the platform features a motor specification accommodating T1 motors with a shaft diameter of ф8, PCD ф66.67, and M4 mounting.
The YKW130R-30T1 is an excellent choice for industries that require precision, reliability, and robust performance in their rotary applications.








| ●Motor configuration and performance parameters | |||||||||||||||||||||||||
|
|||||||||||||||||||||||||








Daniel.Ding
Ding

