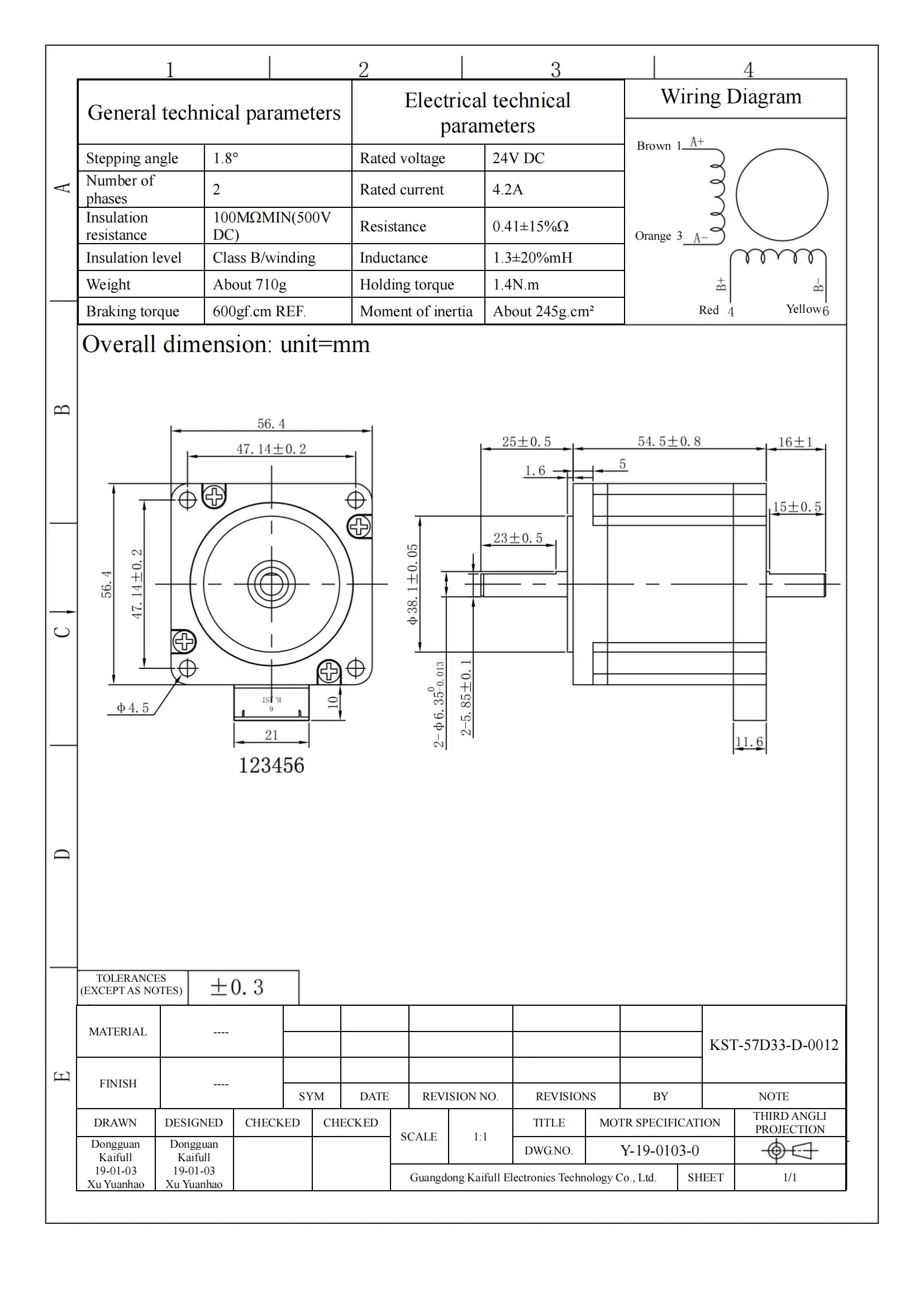
KST-57D33-D-0012 1.8° Two-Phase Stepper Motor with 1.4N·m Holding Torque, 4.2A Rated Current, 24V DC Drive Voltage
The KST-57D33-D-0012 is a reliable two-phase stepper motor engineered for precision control in applications like robotics, automation, and CNC machinery. With a step angle of 1.8° and a holding torque of 1.4N·m, this motor is perfect for systems requiring moderate torque and high precision.
Designed to operate with a rated current of 4.2A, the motor runs on 24V DC and has a phase resistance of 0.41Ω±15% and an inductance of 1.3mH±20%, providing a well-balanced combination of performance and efficiency.
This stepper motor is equipped with Class B insulation for enhanced durability and reliability in demanding environments. With an insulation resistance of 100MΩ minimum at 500V DC, it ensures long-term operation without failure. The motor's braking torque is 600gf·cm, and its moment of inertia is about 245g·cm², enabling smooth starts and stops while maintaining precision.
At just 710g, the KST-57D33-D-0012 is a lightweight yet powerful solution for a wide range of precision control applications.
| ●Motor configuration and performance parameters | |||||||||||||||||||||||||||||
|
|||||||||||||||||||||||||||||








Daniel.Ding
Ding



