High-Torque 24V DC Stepper Motor Y07-59D1-17151
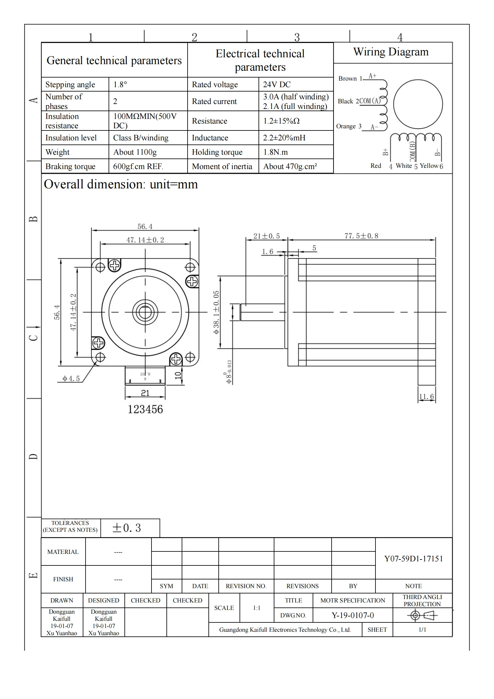
The Y07-59D1-17151 stepper motor is designed to deliver superior performance in a compact package, making it an excellent choice for a variety of automation applications. With a precise stepping angle of 1.8° and a rated voltage of 24V DC, this motor offers exceptional control and reliability.
This two-phase stepper motor features a rated current of 3.0A (for half winding) and 2.1A (for full winding), providing a robust holding torque of 1.8N.m, ensuring that it can handle significant loads with ease. The braking torque of 600gf.cm enhances operational stability, making it ideal for tasks requiring precise positioning and control.
Constructed with high-quality materials, the motor boasts an insulation resistance of 100MΩ minimum (at 500V DC) and a resistance of 1.2±15Ω, which enhances its durability and longevity. Its Class B insulation level and inductance of 2.2±20% mH ensure consistent performance, reducing the risk of overheating and electrical interference.
Weighing approximately 1100g and featuring a moment of inertia of about 470g.cm², the Y07-59D1-17151 stepper motor is engineered for reliability and precision, making it suitable for use in robotics, CNC machines, and other advanced automation systems.
| ●Motor configuration and performance parameters | |||||||||||||||||||||||||||||
|
|||||||||||||||||||||||||||||








Daniel.Ding
Ding



