KST-28D18-01GZ-100-0008 Lead Screw Stepper Motor - 0.06N·m Holding Torque, 1mm Lead, 1.8° Step Angle for Precision Motion Control
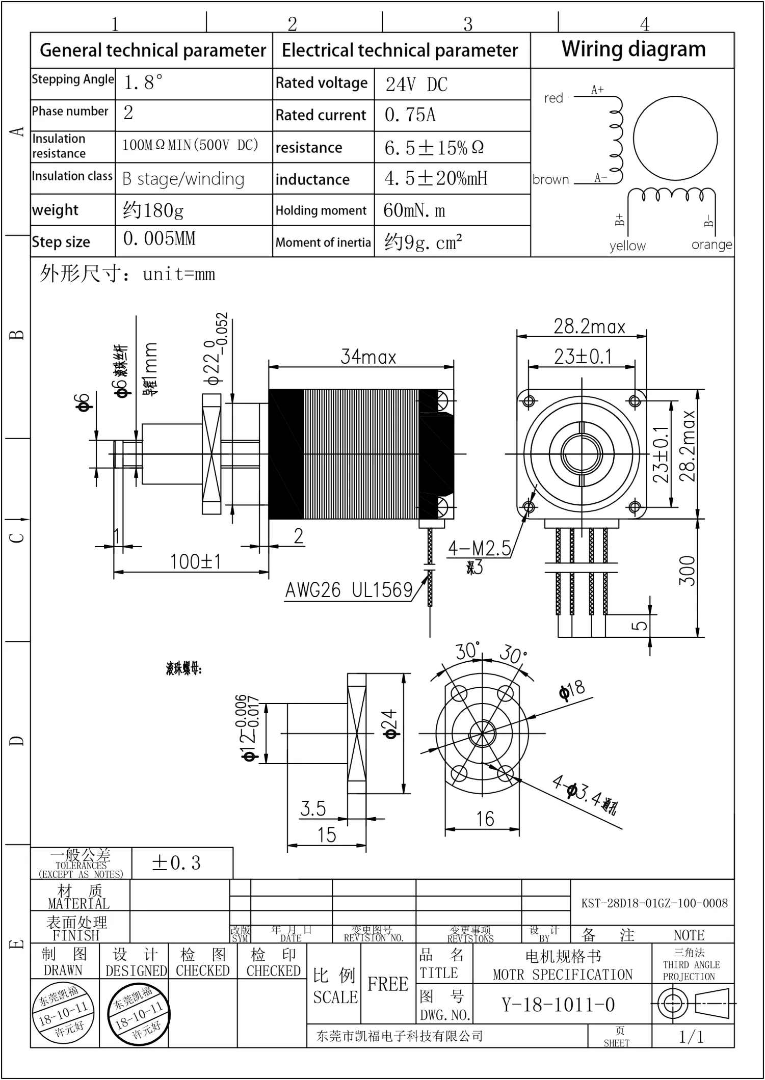
The KST-28D18-01GZ-100-0008 Lead Screw Stepper Motor delivers 0.06N·m holding torque and a 1mm lead, making it a powerful solution for precision motion control. With a 1.8° step angle and a fine 0.005mm step length, this motor ensures exceptional repeatability, ideal for applications such as laboratory automation, medical devices, and high-precision CNC systems.
Featuring a 100mm screw length, this motor is designed for compact installations. Its Class B insulation and 100MΩ insulation resistance ensure reliable performance in demanding environments. The motor’s 180g weight and 9g·cm³ rotor inertia provide stability and responsiveness, while the 0.75A rated current and 6.5Ω resistance optimize energy efficiency.


















| ●Motor configuration and performance parameters | |||||||||||||||||||||||||||||
|
|||||||||||||||||||||||||||||








Daniel.Ding
Ding

