KST-57D33-04GZ-180-0016 Lead Screw Stepper Motor - 1.3N·m Holding Torque, 4mm Lead, 1.8° Step Angle for Heavy-Duty Automation
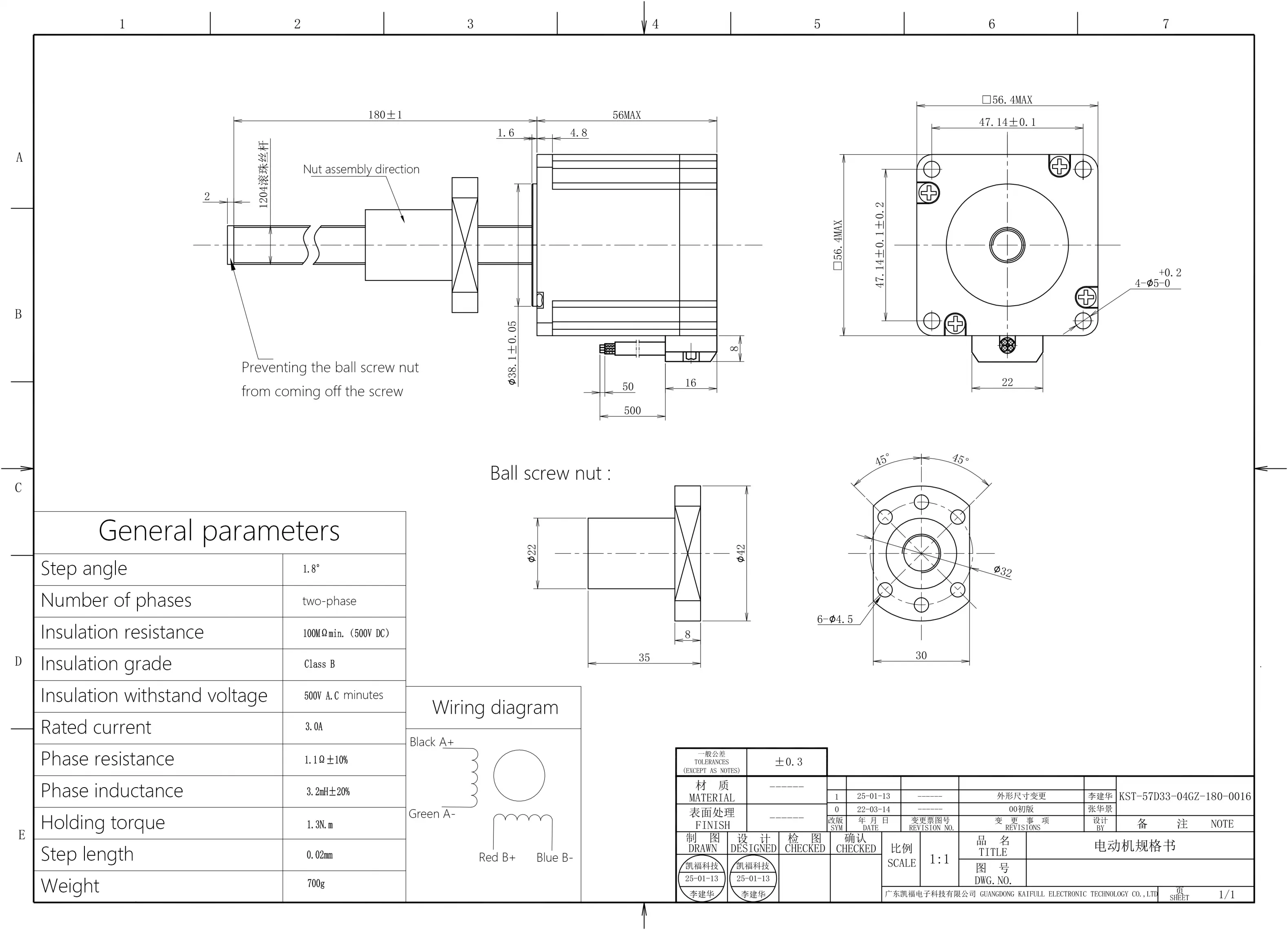
The KST-57D33-04GZ-180-0016 Lead Screw Stepper Motor delivers 1.3N·m holding torque and a 4mm lead, making it a robust solution for heavy-duty automation. With a 1.8° step angle and a 0.02mm step length, this motor ensures high repeatability, ideal for applications such as CNC machinery, automated assembly lines, and material handling systems.
Featuring a 180mm screw length, this motor is designed for extended travel applications. Its Class B insulation and 100MΩ insulation resistance ensure reliable performance in demanding environments. The motor’s 700g weight and 280g·cm³ rotor inertia provide stability and responsiveness, while the 3A rated current and 1.1Ω resistance optimize energy efficiency.


















| ●Motor configuration and performance parameters | |||||||||||||||||||||||||||||
|
|||||||||||||||||||||||||||||








Daniel.Ding
Ding



