KST-20D15-01GZ-100E-0003 Lead Screw Stepper Motor - 0.022N·m Holding Torque, 1mm Lead, 1.8° Step Angle for Precision Motion Control
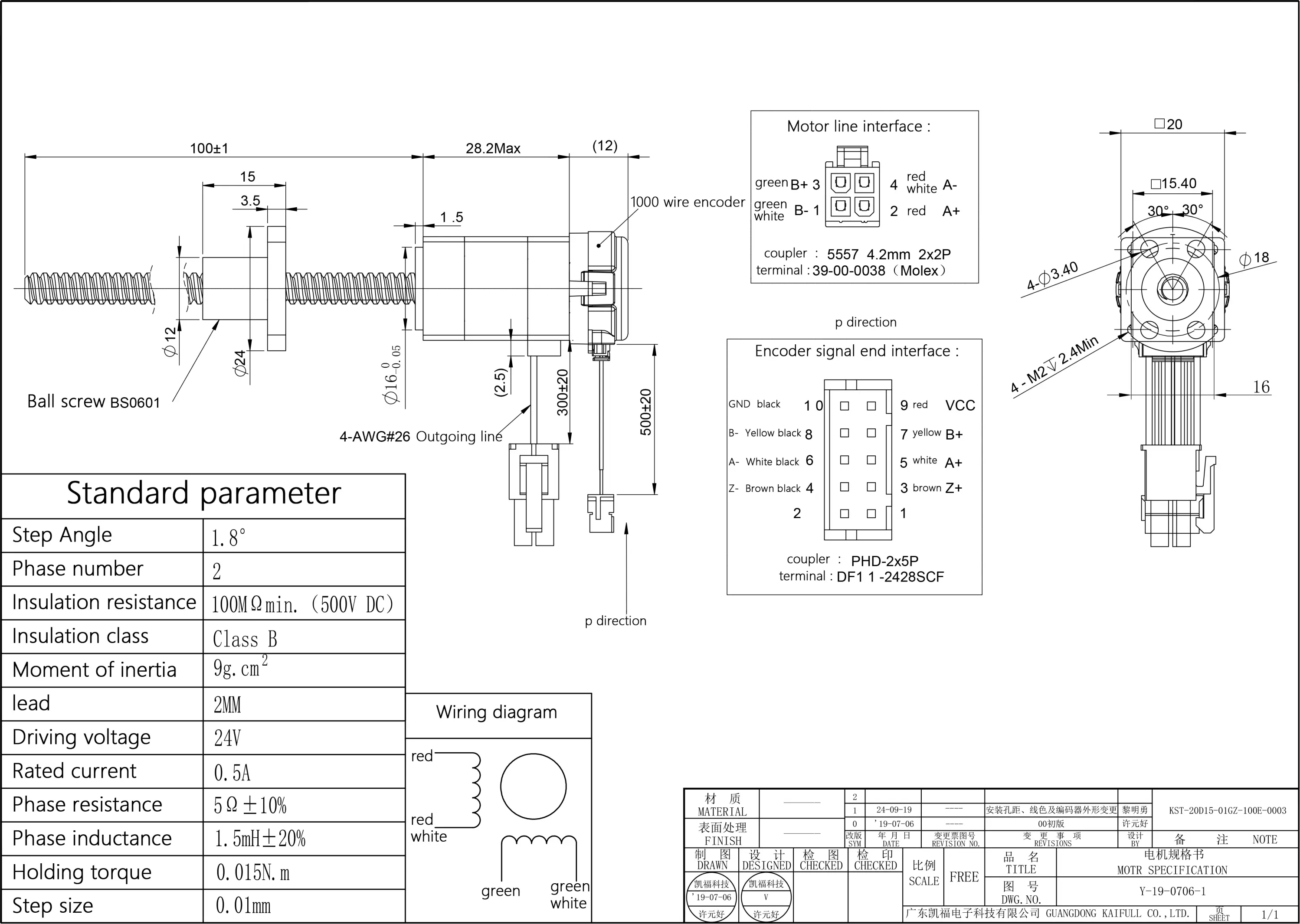
The KST-20D15-01GZ-100E-0003 Lead Screw Stepper Motor is engineered for precision motion control, delivering 0.022N·m holding torque and a 1mm lead. With a 1.8° step angle and a fine 0.005mm step length, this motor ensures high repeatability, making it ideal for applications such as laboratory automation, medical devices, and small-scale CNC systems.
Featuring a 100mm screw length, this motor is designed for compact installations. Its Class B insulation and 100MΩ insulation resistance ensure reliable performance in demanding environments. The lightweight design (60g) and low rotor inertia (2g·cm³) enable rapid start-stop cycles, while the 0.7A rated current and 4Ω resistance optimize energy efficiency.


















| ●Motor configuration and performance parameters | |||||||||||||||||||||||||||||
|
|||||||||||||||||||||||||||||








Daniel.Ding
Ding

