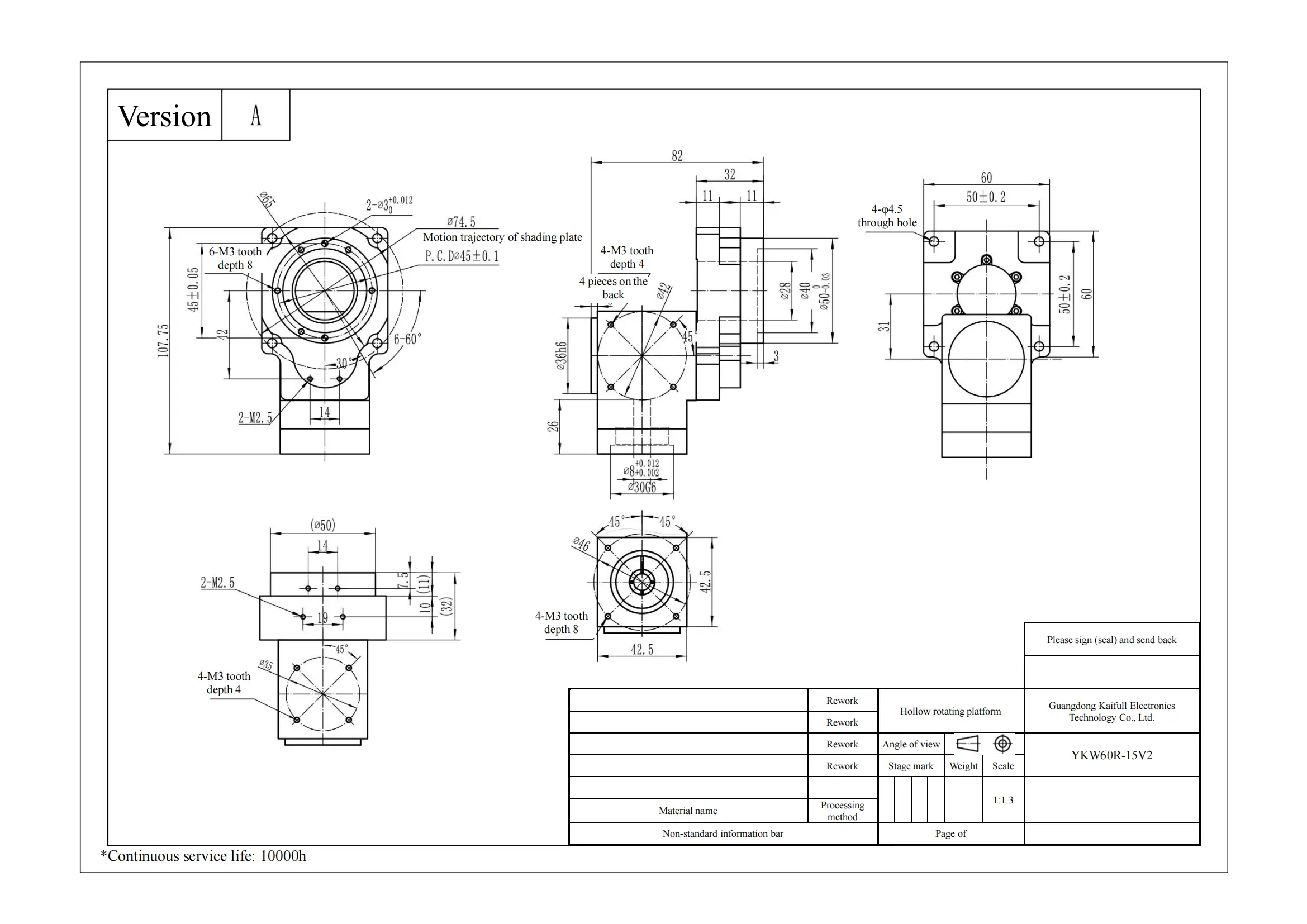
High Precision Hollow Rotary Platform YKW60R-15V2 – 60mm, 15:1 Reduction Ratio
The YKW60R-15V2 Hollow Rotary Platform is a high-performance rotational platform designed for precision applications. With a 15:1 reduction ratio and a 60mm compact size, this platform is ideal for tasks requiring high accuracy and torque handling in a small form factor. The corner two-teeth (R) connection mode ensures stable and efficient torque transmission, while the 28mm hollow shaft allows for flexible routing of cables or other components through the platform, making it ideal for integration in space-constrained environments.
The platform supports an output torque of 5N·m and is capable of handling 10N axial load and 5N·m radial force. With ≤8 arc-min positioning accuracy and ≤±30 arc-sec repeated positioning accuracy, it provides reliable performance in precise rotation tasks. It operates at 200 RPM, offering a balance between speed and accuracy for applications such as robotics, automated systems, and high-precision machinery.
Key Features:
- Compact and Robust: The 60mm design combines compact size with high output torque of 5N·m, making it suitable for space-sensitive applications.
- Hollow Shaft for Flexibility: The 28mm hollow shaft enables easy routing of cables and components, optimizing space in automated systems.
- High Precision: Positioning accuracy of ≤8 arc-min and repeated accuracy of ≤±30 arc-sec, ensuring consistent and reliable performance.
- Torque and Load Handling: Capable of handling an output torque of 5N·m, with axial loads up to 10N and radial forces of 5N·m.
- Motor Compatibility: Designed to work with motors with an 8mm shaft diameter, 46mm PCD, and M4 motor mounting, facilitating easy integration into motion systems.
- Speed Performance: The platform supports a maximum output speed of 200 RPM, suitable for a range of industrial and robotic applications.
The YKW60R-15V2 rotary platform is perfect for high-precision and space-constrained environments, providing precise rotational movement for robotics, automation, and other precision machinery.











| ●Motor configuration and performance parameters | |||||||||||||||||||||||||
|
|||||||||||||||||||||||||








Daniel.Ding
Ding

