High-Precision S90D130A-MAA0S2 Stepper Motor with 1:10 Reduction Ratio
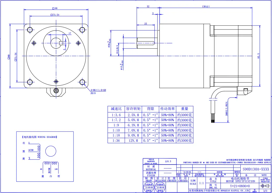
The S90D130A-MAA0S2 stepper motor is engineered for high-performance applications that demand precise motion control and reliability. With a reduction ratio of 1:10, this motor is designed to offer enhanced torque output while maintaining accurate positioning, making it an ideal choice for a range of industrial and automation tasks. Its step angle of 0.18 degrees allows for smooth incremental movement, facilitating tasks that require detailed positioning, such as CNC machinery, robotics, and 3D printing.
Operating at a current of 3.0A for half-winding and 2.1A for full-winding, the S90D130A-MAA0S2 provides flexibility in usage across different configurations. This adaptability is further complemented by its winding resistance of 0.98Ω, ensuring efficient power consumption during operation. The inductance of 6.0mH contributes to its robust performance, allowing for steady operation even in demanding conditions.
The allowable torque of 7.0N·m makes this motor capable of handling significant loads, while the rotor inertia of 1400g·cm² supports quick acceleration and deceleration, crucial for applications that require rapid response times. With six leads, the motor simplifies integration into existing systems, allowing for straightforward installation and configuration.
Weighing in at 3.0kg, the S90D130A-MAA0S2 strikes an excellent balance between power and weight, making it suitable for various applications where space and weight considerations are critical. Additionally, this motor is compatible with drivers like the Y2SD2-EC and Y2SED3, enhancing its versatility and performance in motion control systems.
Engineered to excel in precision and reliability, the S90D130A-MAA0S2 stepper motor is an excellent choice for engineers and designers seeking high-quality solutions in their projects. Its robust construction, efficient performance, and adaptability ensure that it meets the rigorous demands of modern applications, making it a valuable asset in any automation or control setup.
| ●Motor configuration and performance parameters | |||||||||||||||||||||||
|
|||||||||||||||||||||||








Daniel.Ding
Ding


