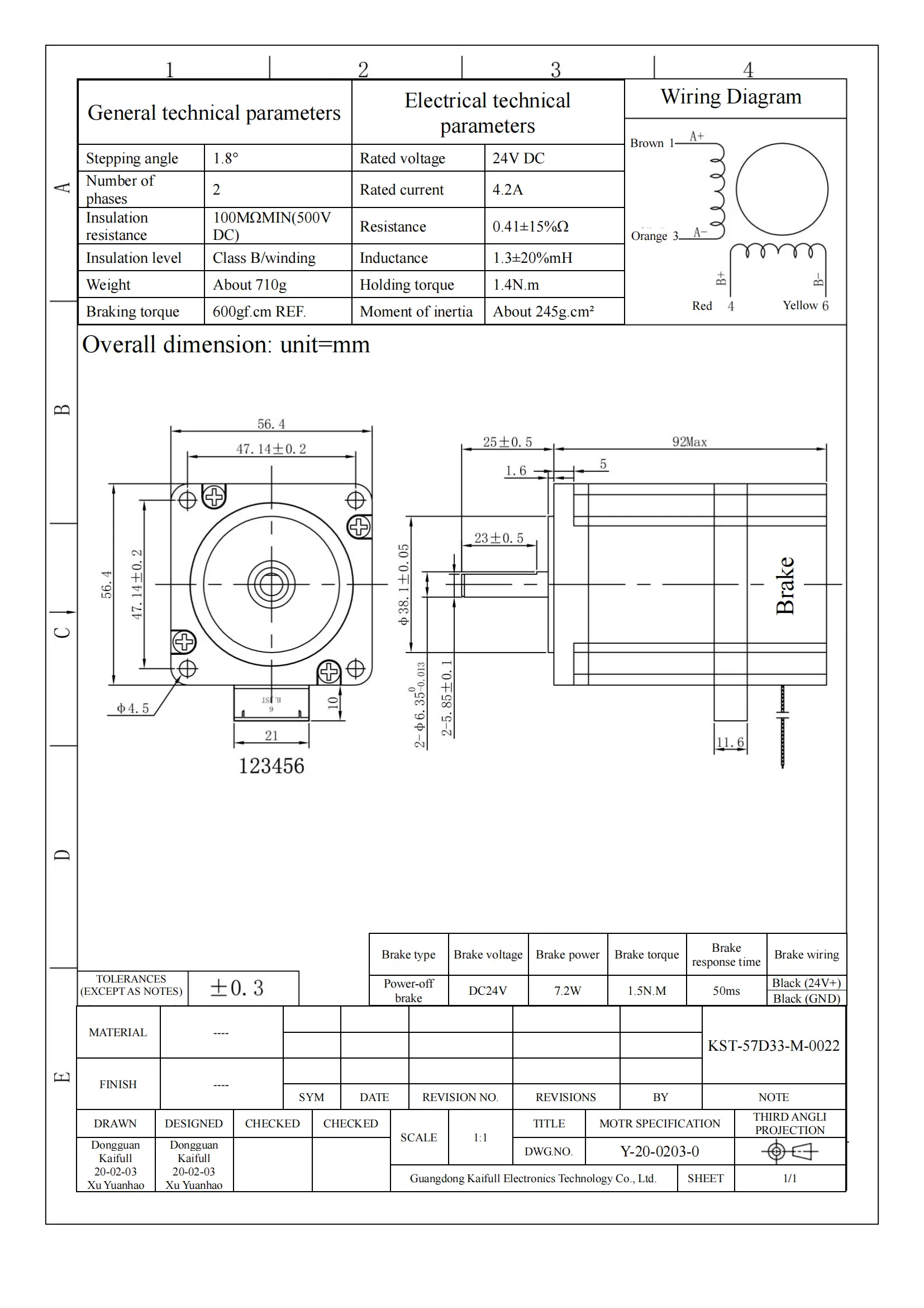
KST-57D33-M-0022 1.8° Two-Phase Stepper Motor with 1.4N·m Holding Torque, 4.2A Rated Current, 24V DC Drive Voltage
The KST-57D33-M-0022 is a high-performance two-phase stepper motor offering excellent precision and reliable operation for industrial applications such as automation, robotics, and CNC machinery. With a step angle of 1.8° and a holding torque of 1.4N·m, this motor is ideal for systems requiring accurate movement control and moderate torque.
Operating at a rated current of 4.2A, the motor runs on a 24V DC drive voltage and features a phase resistance of 0.41Ω±15% and an inductance of 1.3mH±20%. This combination ensures efficient performance and low energy consumption while maintaining high torque output.
The KST-57D33-M-0022 is built with Class B insulation, offering durability and long-lasting performance in harsh operating conditions. The motor boasts a braking torque of 600gf·cm and a moment of inertia of approximately 245g·cm², providing fast, responsive stopping and accurate control.
Weighing about 710g, this stepper motor is a compact and reliable solution for applications where space is limited but high torque and precision are essential.
| ●Motor configuration and performance parameters | |||||||||||||||||||||||||||||
|
|||||||||||||||||||||||||||||








Daniel.Ding
Ding



