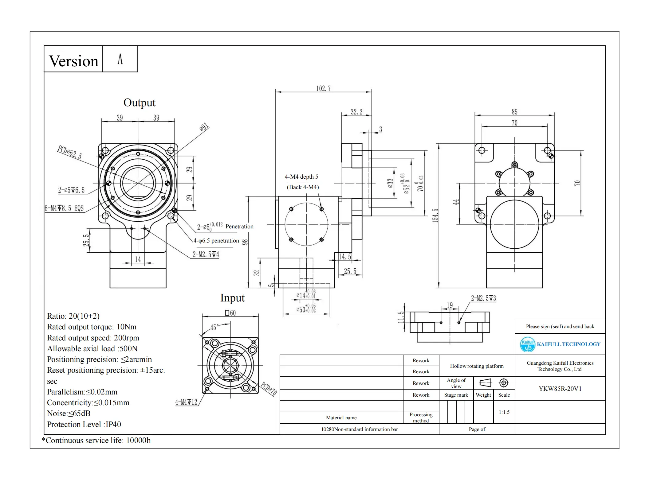
YKW85R-20V1 Rotary Platform with V1 Motor Interface
The YKW85R-20V1 rotary platform is engineered to provide exceptional performance in demanding industrial applications. With an allowable torque of 10 N·m and a reduction ratio of 20, it offers precise rotational control at speeds of up to 720°/sec. The platform supports axial loads of 30 kg and radial forces of 20 N·m, ensuring robust performance under heavy-duty conditions. It boasts a high positioning accuracy of 2 arc-min and a repetitive positioning accuracy of ≤±15 arc-sec, making it ideal for tasks that require precise motion, such as automated machinery, robotics, and precision testing systems. The V1 motor interface, with a shaft diameter of ф14, PCD of ф70, and M4 mounting threads, allows for seamless integration with compatible motors. Weighing 2.5 kg and rated at IP40 for ingress protection, the platform ensures reliable operation even in challenging environments. With an accuracy life of over 15,000 cycles under intermittent operation, this rotary platform is built for long-term reliability and durability.











| ●Motor configuration and performance parameters | |||||||||||||||||||||||||
|
|||||||||||||||||||||||||








Daniel.Ding
Ding

