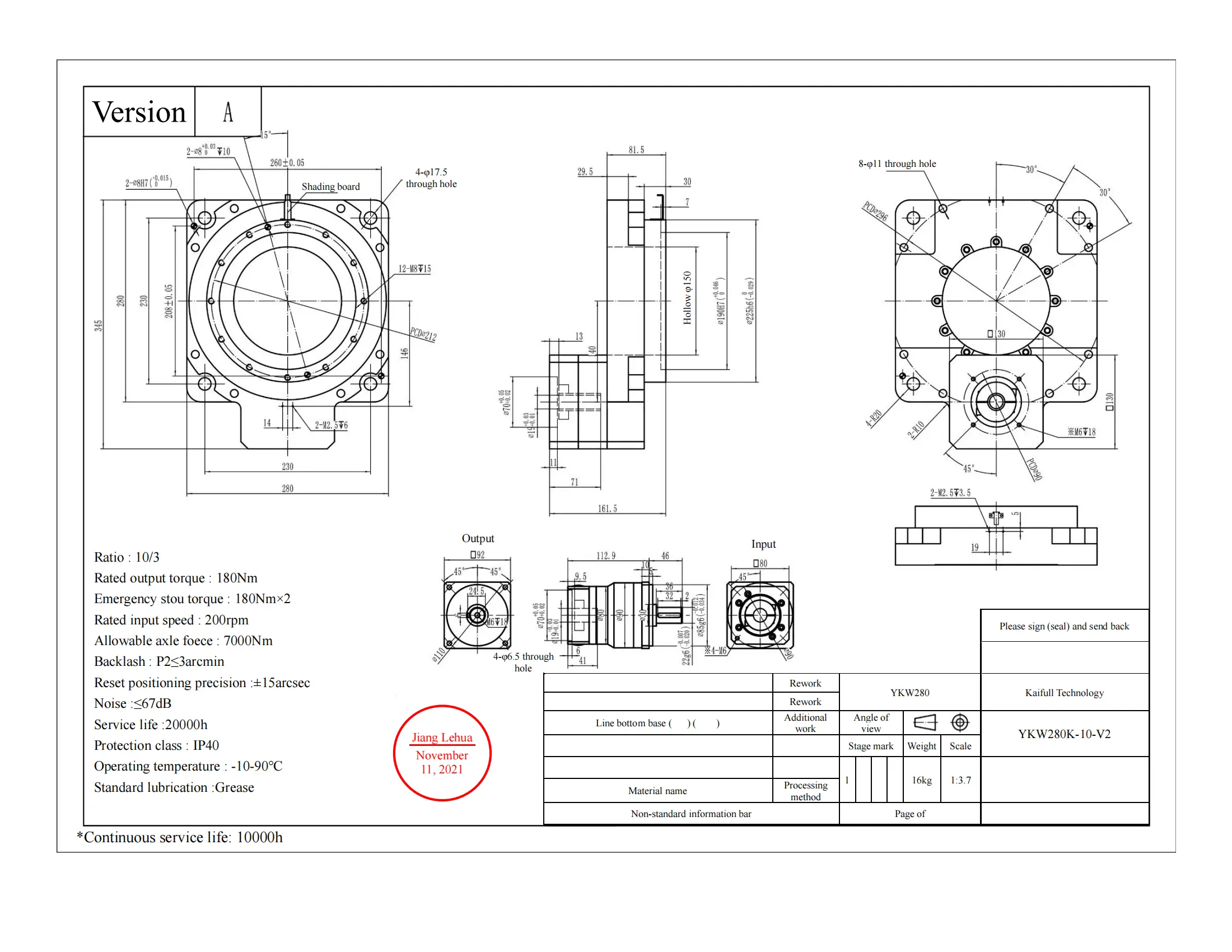
YKW280K-10V2 High-Precision Rotary Platform
The YKW280K-10V2 rotary platform is a powerhouse designed for industrial applications demanding superior torque and precision. With an allowable torque of 180 N·m, it efficiently handles heavy-duty tasks, supporting an axial load of up to 1000 kg and a radial force of 500 N·m. This platform is ideal for industries such as automation, robotics, and heavy equipment manufacturing.
It features a 10:1 reduction ratio with a high-speed disk rotation capability of 720°/sec, ensuring quick and accurate motion control. The platform achieves a remarkable positioning accuracy of 3 arc-min and a repetitive positioning accuracy of ≤±15 arc-sec, providing reliability for operations requiring exact movements. Built to last, it offers an accuracy lifespan of over 15,000 cycles during intermittent use.
Weighing 17 kg, the YKW280K-10V2 is equipped with a robust V2 motor interface featuring a 24mm shaft diameter, a PCD of ф145, and M8 mounting threads. Rated at IP40, it is best suited for controlled industrial environments.
Upgrade your motion control system with the YKW280K-10V2 rotary platform for unmatched precision and durability in heavy-duty applications.
| ●Motor configuration and performance parameters | |||||||||||||||||||||||||
|
|||||||||||||||||||||||||

-

YKW280K-10V2.PDF
Download







Daniel.Ding
Ding