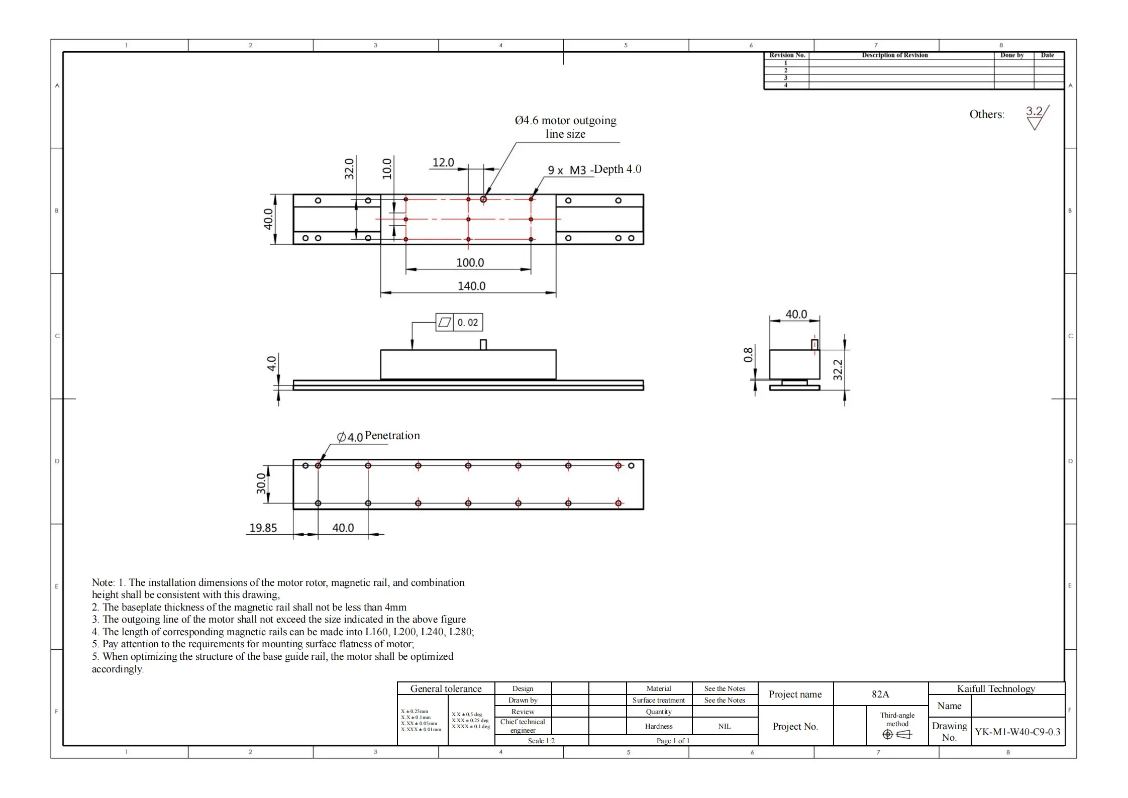
YK-M1-W40-C9-0.3 High-Precision Motorized Linear Module
The YK-M1-W40-C9-0.3 motorized linear module is engineered for high-precision linear motion control, ideal for applications in automation, CNC machinery, and robotics. Featuring a robust power cord with a length of 200mm, the motor delivers reliable and efficient performance across a wide range of operations.
This module is powered by drives with a continuous current of 2.5A and a peak current of 10A, ensuring smooth and powerful operation even under demanding conditions. Feedback is provided by a magnetic grating system with a resolution of 1.0μm and an optical grating (AM4D40R), also with a 1.0μm resolution, both equipped with 200mm wiring for easy integration. This dual-grating system enables precise feedback, enhancing control over position and movement.
The YK-M1-W40-C9-0.3 incorporates an embedded double guide rail for superior stability and durability, ensuring smooth and consistent movement over its entire operational range. With a continuous thrust of 52N and a peak thrust of 208N, the module is built to handle substantial loads while maintaining high-speed precision.
When operating under an acceleration of 1G, a speed of 1000mm/s, a dwell time of 0.2 seconds, and a running stroke of 1000mm, the module can support loads of up to 8kg in horizontal installation and up to 6kg in side-mounted installation. For side-mounted configurations, the maximum operating speed is limited to 2000mm/s, ensuring safety and precision during high-speed operations.
In terms of accuracy, the magnetic grating system provides a repetitive accuracy of ±5μm, while the optical grating offers an even finer repetitive accuracy of ±3μm. The straightness of the system is measured at ±10μm per 300mm, ensuring that the module remains aligned and precise over longer distances.
Weighing approximately 5kg for a 60mm stroke, the module's weight increases by 0.5kg for every additional 60mm of stroke, making it both lightweight and adaptable for different installation requirements.
In summary, the YK-M1-W40-C9-0.3 motorized linear module combines high thrust, precision feedback, and versatile load capacities, making it an ideal solution for advanced automation and precision-focused tasks. Its robust design, coupled with cutting-edge feedback systems, ensures that it delivers reliable and accurate performance in every operation, whether in industrial automation or complex robotic systems.
| ●Motor configuration and performance parameters | |||||||||||||||||||||||
|
|||||||||||||||||||||||

-

YK-M1-W40-C9-0.3.pdf
Download







Daniel.Ding
Ding