0102030405
YK-L6030U-SSL-2-615 Linear Stage ±15mm Stroke, High Precision Motion Control
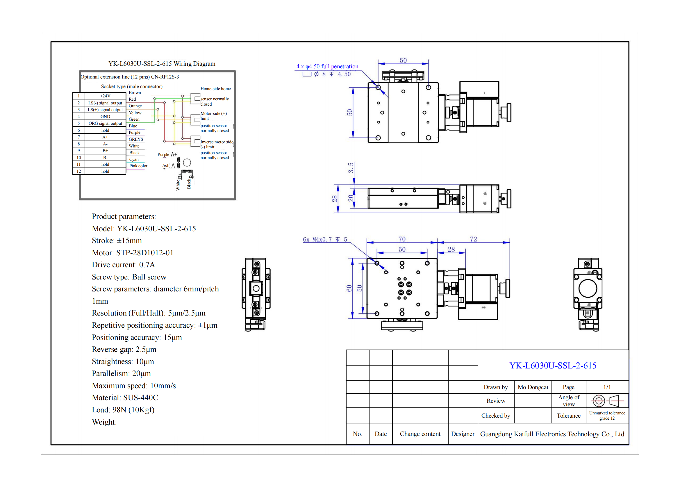
The YK-L6030U-SSL-2-615 linear stage is engineered for precision motion applications with a ±15mm stroke and a reliable STP-28D1012-01 motor, powered by a 0.7A drive current. Featuring a ball screw design with a 6mm diameter and 1mm pitch, it achieves resolutions of 5μm (full step) and 2.5μm (half step). The stage ensures exceptional accuracy with a repetitive positioning accuracy of ±1μm and a positioning accuracy of 15μm. Built with SUS-440C stainless steel for durability, it supports loads up to 98N (10Kgf) while maintaining straightness of 10μm and parallelism of 20μm, making it ideal for industrial precision tasks.
| ●Motor configuration and performance parameters | ||
|
Product parameters:
Model: YK-L6030U-SSL-2-615
Stroke: ±15mm
Motor: STP-28D1012-01
Drive current: 0.7A
Screw type: Ball screw
Screw parameters: diameter 6mm/pitch 1mm
Resolution (Full/Half): 5μm/2.5μm
Repetitive positioning accuracy: ±1μm
Positioning accuracy: 15μm
Reverse gap: 2.5μm
Straightness: 10μm
Parallelism: 20μm
Maximum speed: 10mm/s
Material: SUS-440C
Load: 98N (10Kgf)
Weight:
|
||








Daniel.Ding
Ding

