0102030405
YK-L6015U-SSL-2-615 Linear Stage ±7.5mm Travel with High Precision
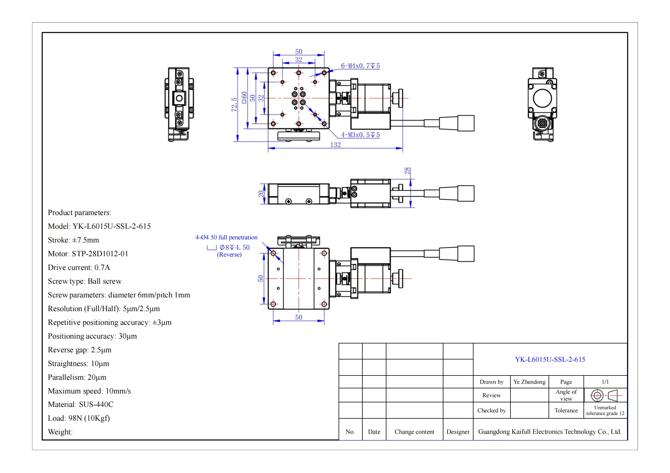
The YK-L6015U-SSL-2-615 linear stage is designed for precision linear motion applications, offering a ±7.5mm stroke and a robust STP-28D1012-01 motor with a 0.7A drive current. Equipped with a ball screw mechanism (6mm diameter, 1mm pitch), it achieves resolutions of 5μm (full step) and 2.5μm (half step). Precision is ensured with a repetitive positioning accuracy of ±3μm, positioning accuracy of 30μm, and reverse gap of 2.5μm. The stage provides excellent straightness (10μm) and parallelism (20μm), supporting loads of up to 98N (10Kgf). Constructed from durable SUS-440C material, it operates at speeds of up to 10mm/s.
| ●Motor configuration and performance parameters | ||
|
Product parameters:
Model: YK-L6015U-SSL-2-615
Stroke: ±7.5mm
Motor: STP-28D1012-01
Drive current: 0.7A
Screw type: Ball screw
Screw parameters: diameter 6mm/pitch 1mm
Resolution (Full/Half): 5μm/2.5μm
Repetitive positioning accuracy: ±3μm
Positioning accuracy: 30μm
Reverse gap: 2.5μm
Straightness: 10μm
Parallelism: 20μm
Maximum speed: 10mm/s
Material: SUS-440C
Load: 98N (10Kgf)
Weight:
|
||








Daniel.Ding
Ding

