YK-L4015U-SSR-2-615 High Precision Fine-Tuning Platform with Ball Screw and STP Motor
The YK-L4015U-SSR-2-615 fine-tuning platform is designed for high-precision applications, featuring a stroke of ±7.5mm and a resolution of 5μm (Full) and 2.5μm (Half). It ensures high positioning accuracy of 15μm with a repetitive positioning accuracy of ±1μm, making it ideal for applications requiring exact motion control. The platform is equipped with an 8mm ball screw system (6mm diameter, 1mm pitch) that ensures smooth and consistent movement. Powered by the STP-28D1012-01 motor, the platform operates at a maximum speed of 10mm/s with a drive current of 0.7A. Capable of handling loads up to 98N (10kgf), the platform is constructed from SUS-440C for long-lasting durability. It also features a reverse gap of 2.5μm, straightness of 10μm, and parallelism of 20μm, making it a reliable solution for high-precision industrial applications.
| ●Motor configuration and performance parameters | ||
|
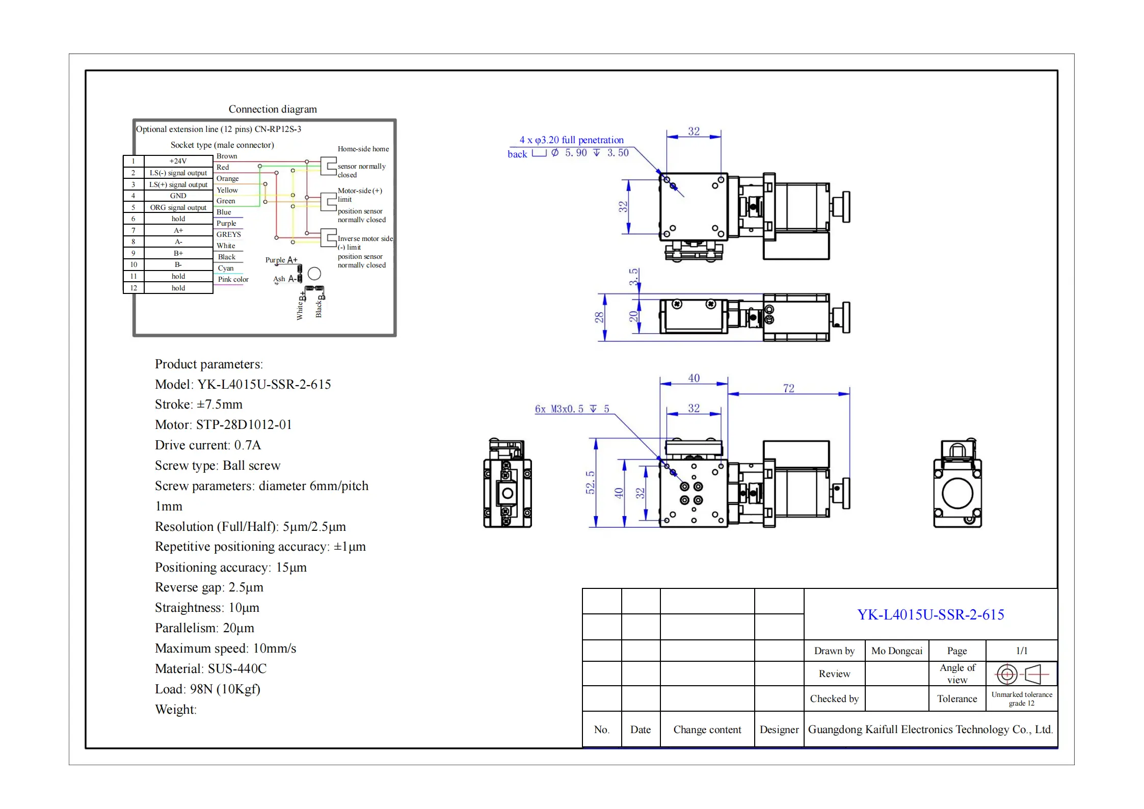
Product parameters: Model: YK-L4015U-SSR-2-615 Stroke: ±7.5mm Motor: STP-28D1012-01 Drive current: 0.7A Screw type: Ball screw Screw parameters: diameter 6mm/pitch 1mm Resolution (Full/Half): 5μm/2.5μm Repetitive positioning accuracy: ±1μm Positioning accuracy: 15μm Reverse gap: 2.5μm Straightness: 10μm Parallelism: 20μm Maximum speed: 10mm/s Material: SUS-440C Load: 98N (10Kgf) |
||

-

YK-L4015U-SSR-2-615.PDF
Download







Daniel.Ding
Ding