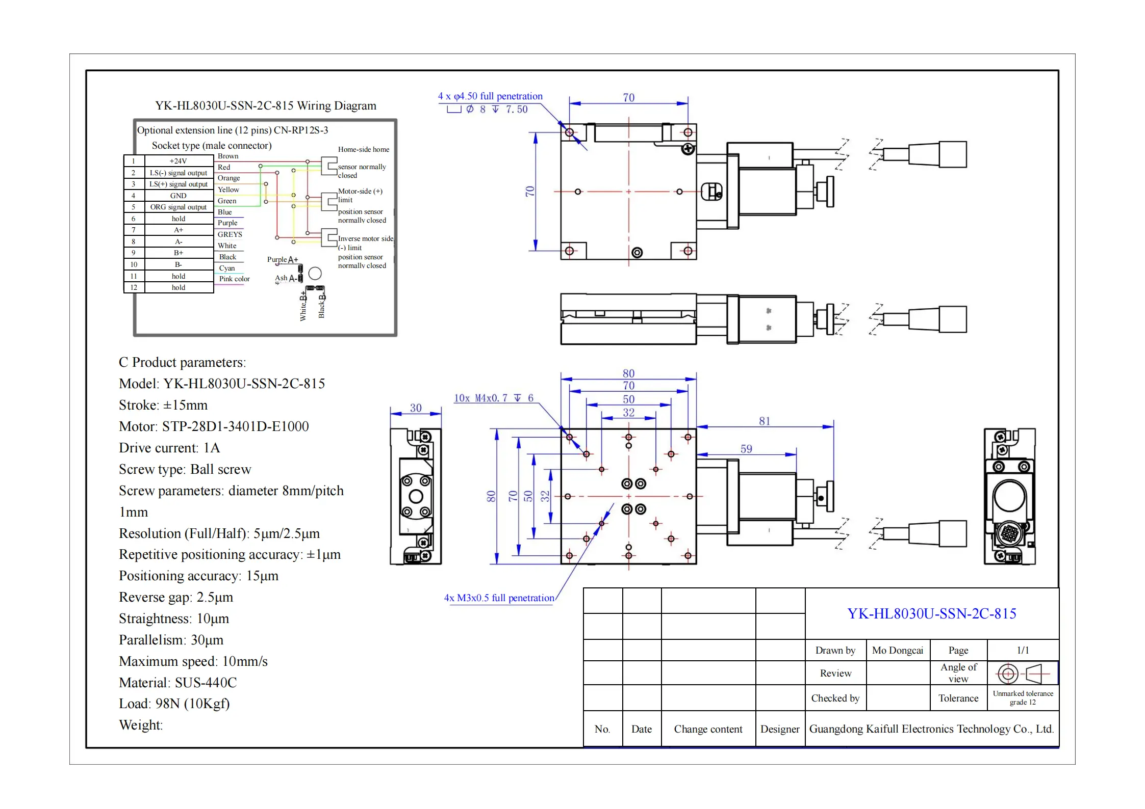
YK-HL8030U-SSN-2C-815 High-Performance Linear Actuator
The YK-HL8030U-SSN-2C-815 is a cutting-edge linear actuator designed to meet the demanding precision requirements of modern automation and industrial applications. With a generous stroke of ±15mm, this actuator provides flexibility and adaptability, making it ideal for a variety of tasks ranging from assembly to material handling.
Powered by the STP-28D1-3401D-E1000 motor, the YK-HL8030U-SSN-2C-815 operates at a drive current of 1A, ensuring robust performance even in high-demand scenarios. The actuator features a ball screw mechanism with an 8mm diameter and a 1mm pitch, which not only enhances efficiency but also reduces wear and tear, contributing to its longevity.
Precision is at the forefront of the YK-HL8030U-SSN-2C-815’s design. With a full resolution of 5μm and a half resolution of 2.5μm, it delivers exceptional accuracy suitable for tasks that require fine control. The actuator’s repetitive positioning accuracy of ±1μm ensures that it consistently returns to the same position, making it an excellent choice for automated processes where precision is critical.
In addition, the actuator achieves a positioning accuracy of 15μm, a reverse gap of 2.5μm, and maintains straightness within 10μm. These specifications ensure high reliability and performance, even in complex setups. The parallelism of 30μm demonstrates the actuator's capability to maintain alignment in multi-axis systems, enhancing its versatility.
Operating at a maximum speed of 10mm/s, the YK-HL8030U-SSN-2C-815 balances speed and accuracy, catering to a wide range of applications. Constructed from durable SUS-440C, this actuator offers excellent resistance to corrosion, making it suitable for various environments.
With a load capacity of 98N (10Kgf), this actuator is built to handle significant forces while delivering consistent performance. The YK-HL8030U-SSN-2C-815 represents an ideal solution for applications that demand both speed and precision, ensuring reliable operation in critical tasks.
| ●Motor configuration and performance parameters | ||
|
Product parameters: Model: YK-HL8030U-SSN-2C-815 Stroke: ±15mm Motor: STP-28D1-3401D-E1000 Drive current: 1A Screw type: Ball screw Screw parameters: diameter 8mm/pitch 1mm Resolution (Full/Half): 5μm/2.5μm Repetitive positioning accuracy: ±1μm Positioning accuracy: 15μm Reverse gap: 2.5μm Straightness: 10μm Parallelism: 30μm Maximum speed: 10mm/s Material: SUS-440C Load: 98N (10Kgf) Weight: |
||








Daniel.Ding
Ding

