0102030405
YK-42D2488-05GZ-50 Electric Linear Slide – 50mm Stroke, 42mm Stepper Motor, High Precision Compact Actuator
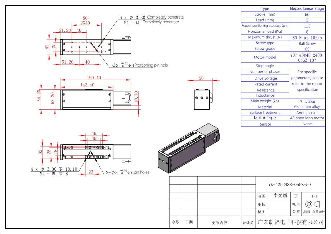
The YK-42D2488-05GZ-50 is a high-performance electric linear actuator equipped with a 42mm open-loop stepper motor. Designed for compact automation systems, it provides a 50mm stroke, a 5mm lead, and excellent repeatability of ±5μm. Capable of supporting up to 8kg horizontal load and delivering a maximum thrust of 80N, this linear slide ensures precise, stable motion in applications such as electronics assembly, automated inspection, and laboratory automation. With its compact structure (42×54.2×190.4mm) and durable construction, it integrates easily into small-scale motion control systems, offering both efficiency and precision.
| ●Motor configuration and performance parameters | |||||||||||||||||||||
|
|||||||||||||||||||||








Daniel.Ding
Ding

