0102030405
YK-35D4708-06GZ-30M-I Compact Linear Actuator – 30mm Stroke, 6mm Lead, Open-Loop Stepper Motor with Brake
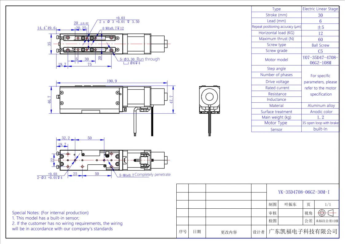
The YK-35D4708-06GZ-30M-I is a compact and high-precision linear actuator with a 30 mm stroke and 6 mm lead screw, delivering smooth and accurate linear motion in limited spaces. Featuring ±5 μm repeatability and a maximum thrust of 60 N, it handles up to 12 kg of horizontal load with ease. The actuator integrates a 35mm open-loop stepper motor with brake (model Y07-35D47-4708-06GZ-108M) for stable positioning and enhanced safety during power-off states. Equipped with a built-in sensor, this actuator is ideal for semiconductor, inspection, and micro-automation systems requiring compact, reliable linear motion.
| ●Motor configuration and performance parameters | |||||||||||||||||||||
|
|||||||||||||||||||||








Daniel.Ding
Ding

