Y07-43D4-5060 Stepper Motor – Reliable 0.54N·m Holding Torque, 1.8° Step Angle
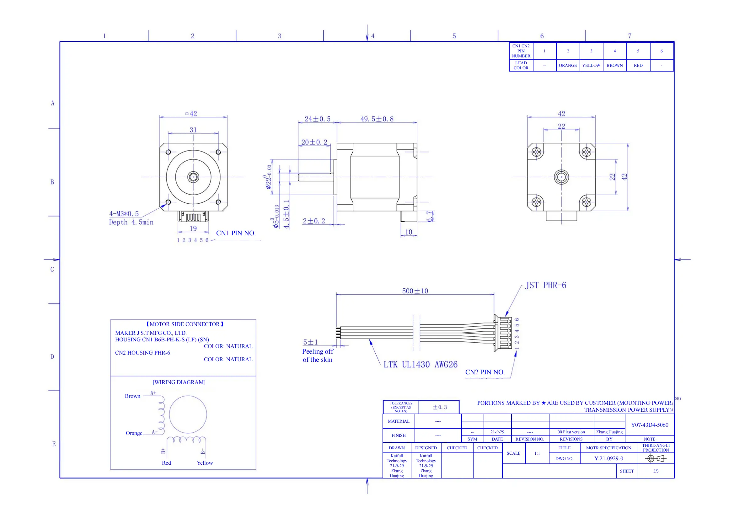
The Y07-43D4-5060 stepper motor is designed for continuous operation and precision, making it a suitable choice for various automation and motion control applications. With a rated voltage of 24V DC and a current of 2.0A per phase, this 2-phase unipolar motor provides a minimum holding torque of 0.54N·m, essential for maintaining stability during operation. The motor features a step angle of 1.8°, allowing for precise movement and positioning, which is crucial in applications such as CNC machinery and robotics. With a winding resistance of 1.8Ω ±15% and inductance of 4.0mH ±20%, the Y07-43D4-5060 ensures efficient performance and reliable operation. The insulation class is UL Class B, and it boasts an impressive insulation resistance of 100MΩ minimum (500V DC), ensuring safety and longevity in various environments. The maximum starting pulse rate of 800PPS allows for rapid acceleration and deceleration, enhancing the overall responsiveness of the system. This motor also features a dielectric strength of 500V AC for one minute with no abnormalities, indicating its robustness against electrical failures. The Y07-43D4-5060 is a top choice for applications requiring reliability and accuracy.
| ●Motor configuration and performance parameters | ||||||||||||||||||||||||||||||||||||||||||||||||||||||||||||||||||||||||||||||||||||||||
|
||||||||||||||||||||||||||||||||||||||||||||||||||||||||||||||||||||||||||||||||||||||||








Daniel.Ding
Ding



