01
stepper low voltage motor 20mm Y07-20D1-4401
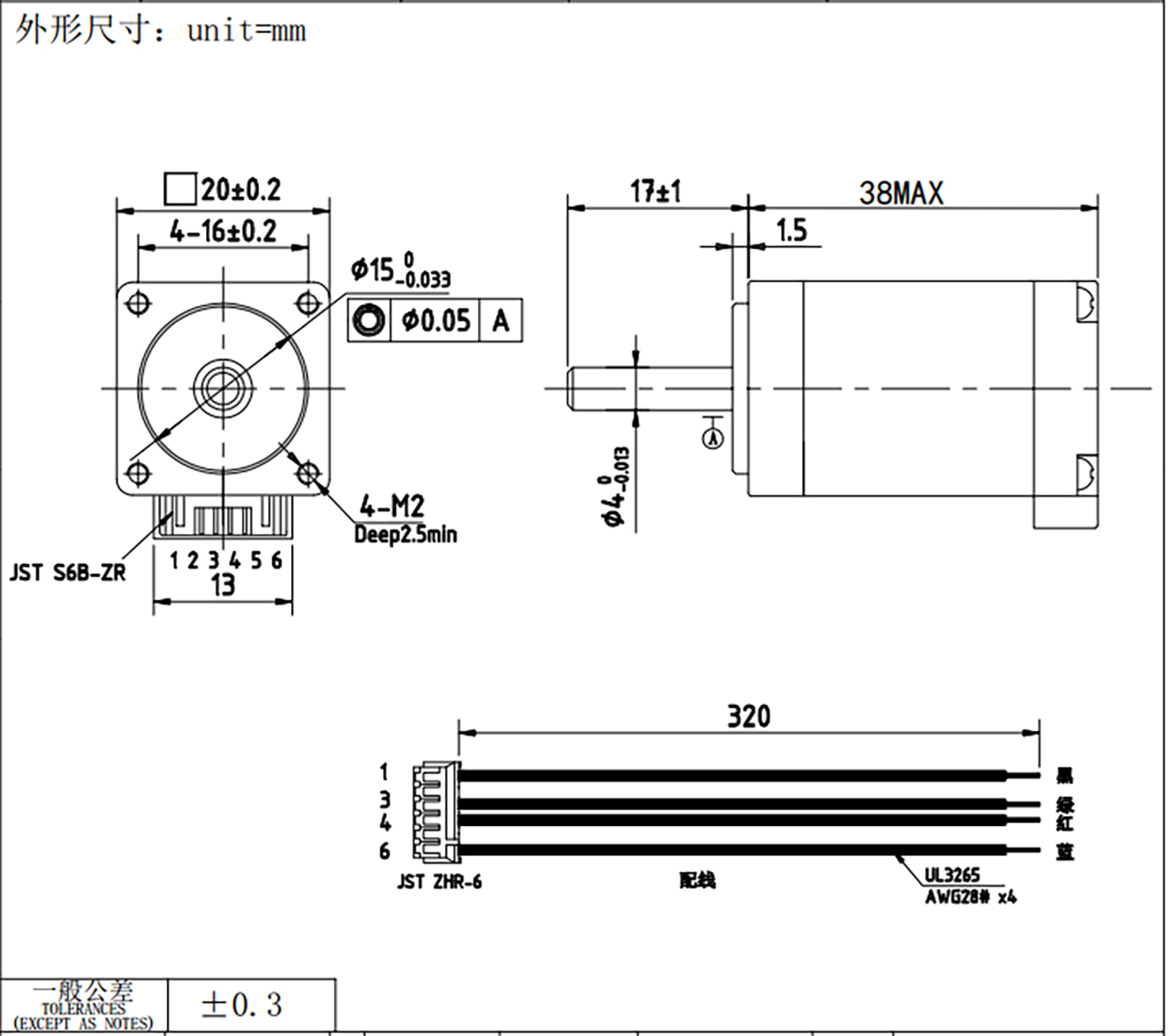
This open-loop stepper motor is designed with precision, featuring a 1.8° step angle and two-phase structure for exceptional performance in high-precision motion control. The motor operates at 24V DC with a rated current of 0.6A, making it suitable for a wide range of industrial applications. With an insulation resistance of 100MΩ (500V DC), it offers reliable insulation performance and uses a Class B insulation rating for enhanced durability. The motor has a winding resistance of 10Ω (±10%) and an inductance of 3.6mH (±20%), ensuring stability under varying loads. Weighing only about 70g, this lightweight yet efficient motor delivers a holding torque of 0.022N.m, making it ideal for precision equipment such as 3C electronics and medical devices.




| General technical parameters | Electrical technical parameters | Wiring Diagram | ||
| Stepping angle | 1.8° | Rated voltage | 24V DC | ![]() |
| Number of phases | 2 | Rated current | 0.6A | |
| Insulation resistance | 100MΩMIN(500V DC) | Resistance | 10±10%Ω | |
| Insulation level | Class B/winding | Inductance | 3.6±20%mH | |
| Weight | about 70g | Holding torque | 0.022N.m | |
| Braking torque | 15gf.cm REF. | Moment of inertia | 约3g.cm² | |








Daniel.Ding
Ding



