Reliable 24V DC Stepper Motor Y07-59D1-3074
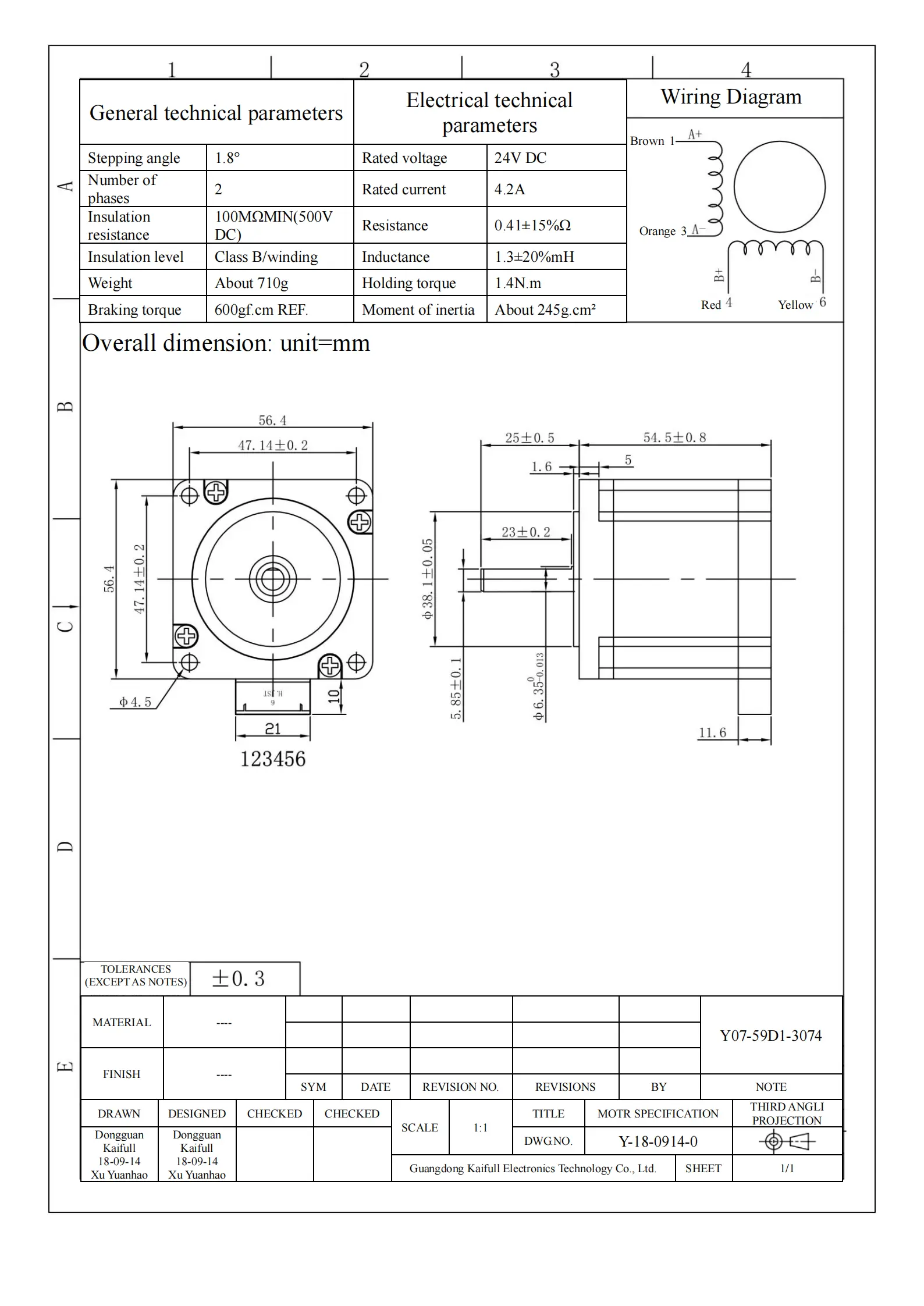
The Y07-59D1-3074 stepper motor is designed for high performance and precision in various applications. Featuring a 1.8° stepping angle and a rated voltage of 24V DC, this motor provides exceptional control and responsiveness. With two phases and a rated current of 4.2A, it is suitable for tasks requiring robust performance and reliability.
This motor boasts an insulation resistance of 100MΩ minimum (at 500V DC) and a resistance of 0.41±15Ω, ensuring durability and longevity under demanding conditions. The Class B insulation level and an inductance of 1.3±20% mH contribute to efficient operation and thermal stability.
With a holding torque of 1.4N.m and a braking torque of 600gf.cm, the Y07-59D1-3074 is ideal for applications in automation, robotics, and industrial machinery. Weighing approximately 710g and featuring a moment of inertia of about 245g.cm², this stepper motor offers the perfect balance of power and compactness, making it an excellent choice for precise motion control.
| ●Motor configuration and performance parameters | |||||||||||||||||||||||||||||
|
|||||||||||||||||||||||||||||








Daniel.Ding
Ding



