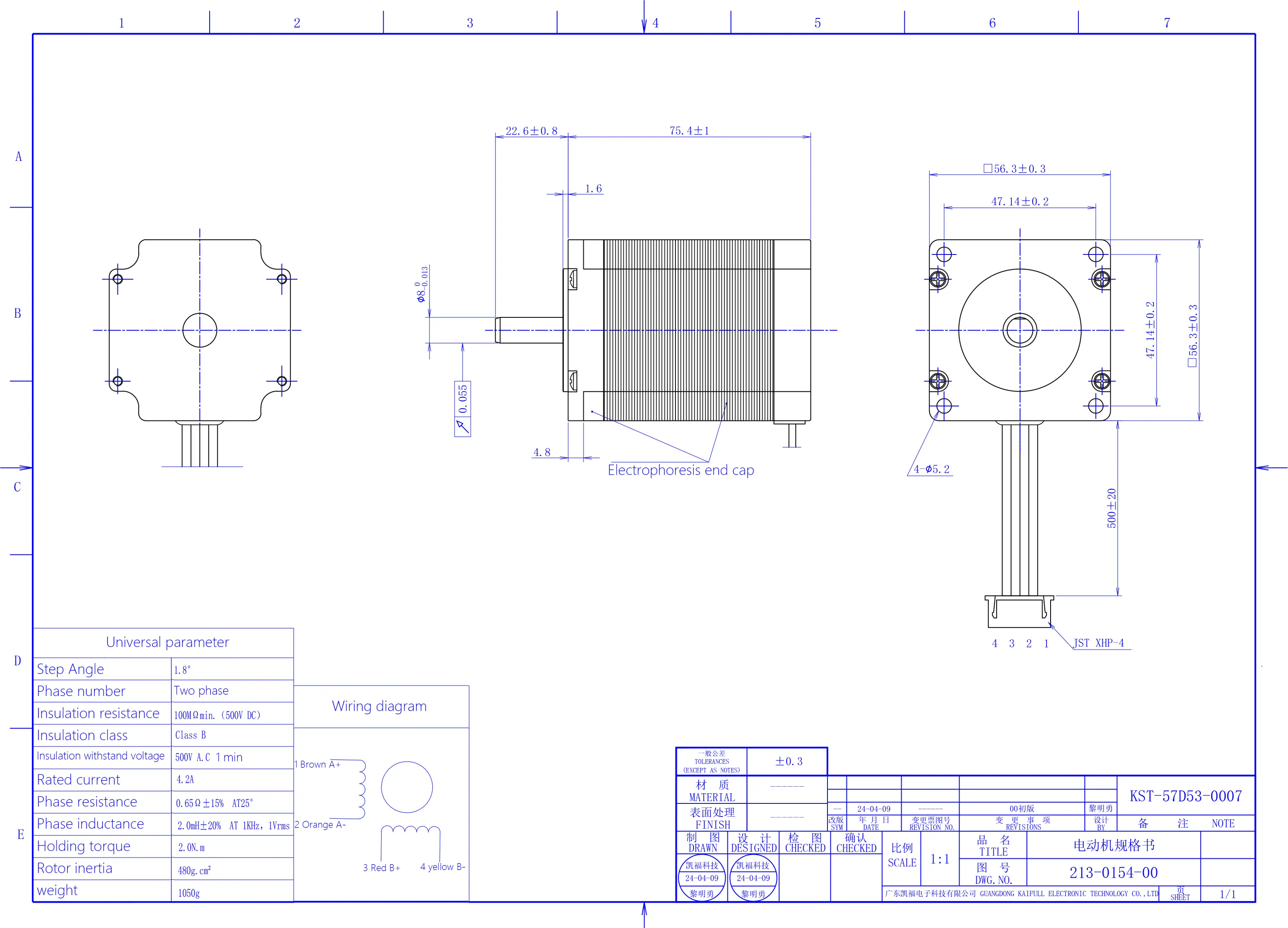
KST-57D53-0007 1.8° Stepper Motor, 4.2A Rated Current, 2.0N·m Holding Torque, 57mm Frame Size
The KST-57D53-0007 stepper motor is engineered to deliver high performance and reliable operation in industrial applications that require precise and powerful motion control. With a 1.8° step angle, this motor ensures high positional accuracy, making it ideal for use in CNC machines, robotics, automation systems, and other motion control applications.
Key features include a 4.2A rated current and holding torque of 2.0N·m, providing strong torque and smooth rotation at high speeds. This motor has a phase resistance of 0.65Ω ± 15% and phase inductance of 2.0mH ± 20% at 1KHz, ensuring consistent performance over a wide range of operating conditions. With Class B insulation and a 500V A.C. insulation withstand voltage, this stepper motor is designed to endure high-temperature environments while maintaining long-term durability.
The KST-57D53-0007 motor has a moment of inertia of 480g·cm², making it suitable for medium load applications where precise control is needed. With a weight of 1050g and a 57mm frame size, this motor is a perfect fit for systems requiring high torque and precise positioning.
| ●Motor configuration and performance parameters | |||||||||||||||||||||||||
|
|||||||||||||||||||||||||








Daniel.Ding
Ding



