KST-42D41-D-0006 1.8° Two-Phase Stepper Motor with 0.77N·m Holding Torque, 2.0A Rated Current, 24V DC Drive Voltage
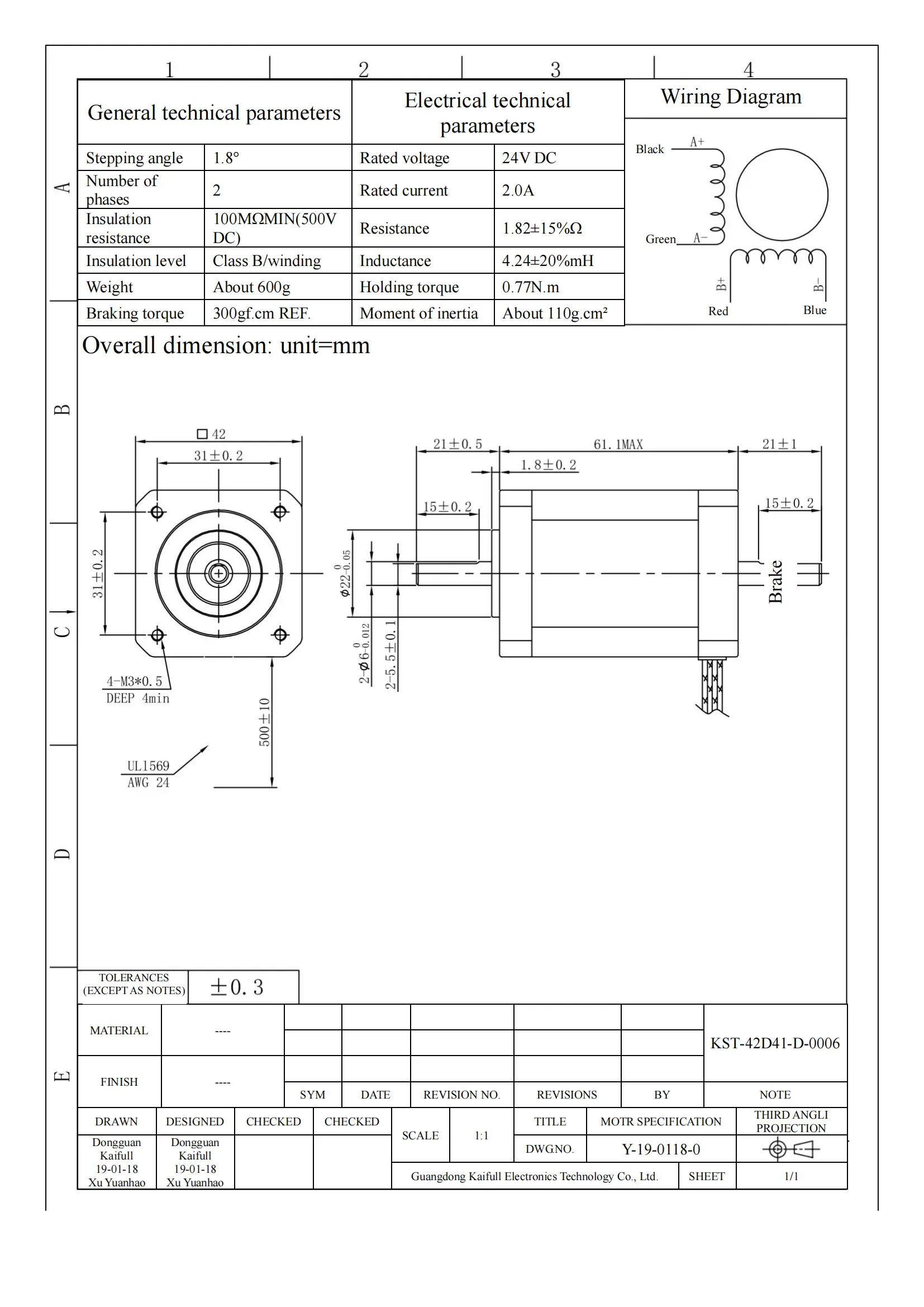
The KST-42D41-D-0006 is a highly efficient two-phase stepper motor designed for precise motion control in a variety of applications such as robotics, automation, and small machinery. With a step angle of 1.8° and a holding torque of 0.77N·m, this motor provides reliable and consistent performance for systems requiring moderate torque.
Operating at a rated current of 2.0A, the motor is powered by 24V DC and offers a phase resistance of 1.82Ω±15% and an inductance of 4.24mH±20%. These characteristics ensure efficient power usage and smooth operation, making it ideal for applications with specific power consumption requirements.
With Class B insulation and an insulation resistance of 100MΩ minimum at 500V DC, the KST-42D41-D-0006 is built for long-lasting performance in demanding environments. The motor features a braking torque of 300gf·cm and a moment of inertia of approximately 110g·cm², which ensures smooth and precise stopping capabilities.
Weighing just 600g, this stepper motor offers compact power and efficiency for applications where space and performance are critical.
| ●Motor configuration and performance parameters | |||||||||||||||||||||||||||||
|
|||||||||||||||||||||||||||||








Daniel.Ding
Ding



