Enhanced 24V DC Stepper Motor Y07-59D1-17155M
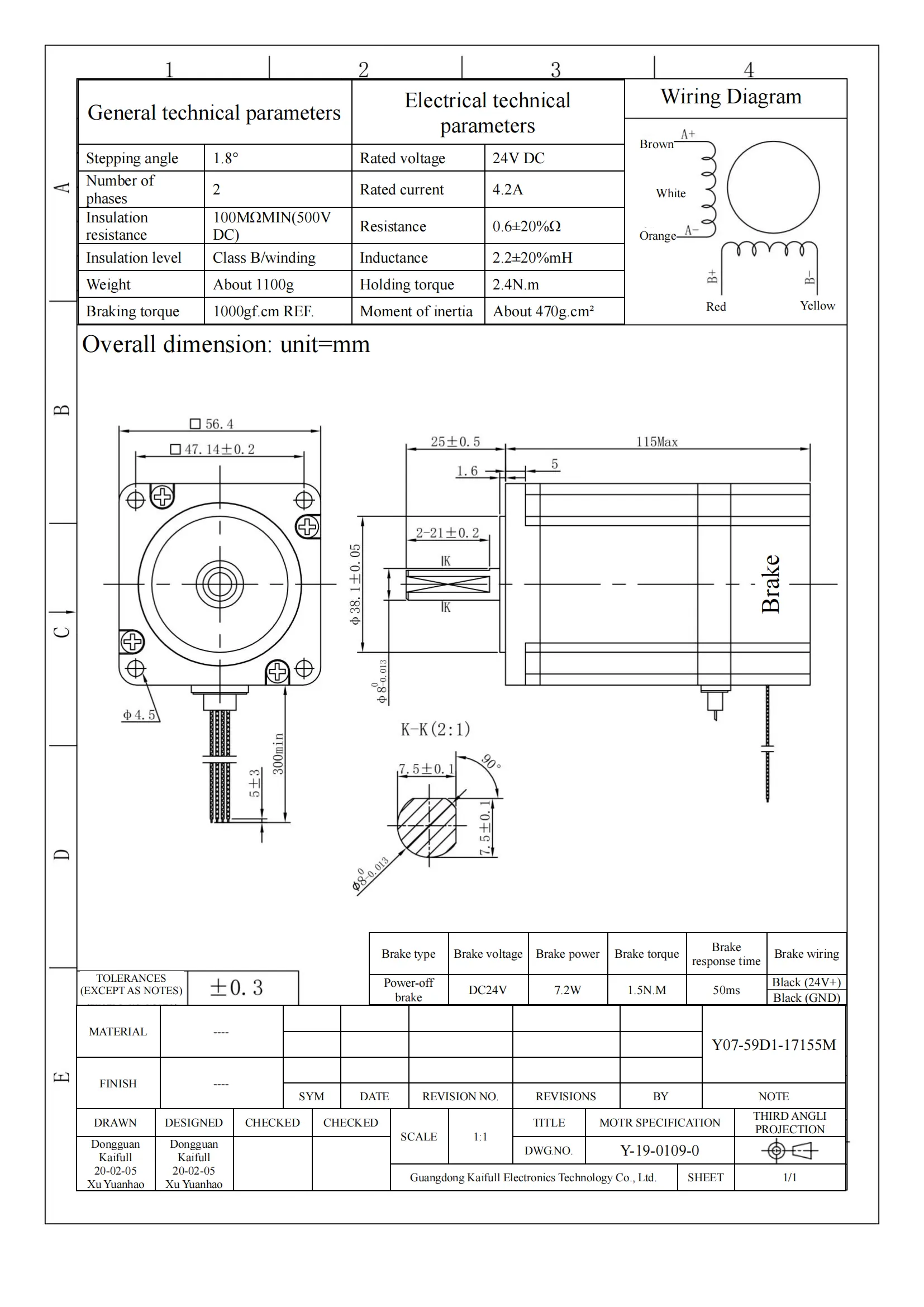
The Y07-59D1-17155M stepper motor is designed to deliver exceptional performance in various precision applications, including robotics, CNC machinery, and automated systems. With a stepping angle of 1.8° and a rated voltage of 24V DC, this motor provides the accuracy and control necessary for intricate tasks.
Featuring a robust rated current of 4.2A, the Y07-59D1-17155M offers a holding torque of 2.4N.m, allowing it to handle substantial loads efficiently. This capability is complemented by a braking torque of 1000gf.cm, ensuring stability and precise positioning, even in dynamic operational environments.
The motor is built with durability in mind, boasting an insulation resistance of 100MΩ minimum (at 500V DC) and a resistance of 0.6±20Ω, which enhances its reliability. It operates under Class B insulation levels, with an inductance of 2.2±20% mH, optimizing its performance while minimizing heat generation.
With a weight of approximately 1100g and a moment of inertia of around 470g.cm², the Y07-59D1-17155M is suitable for demanding applications that require both power and precision. This stepper motor is an ideal choice for engineers seeking to implement effective motion control solutions.
| ●Motor configuration and performance parameters | |||||||||||||||||||||||||||||
|
|||||||||||||||||||||||||||||








Daniel.Ding
Ding



