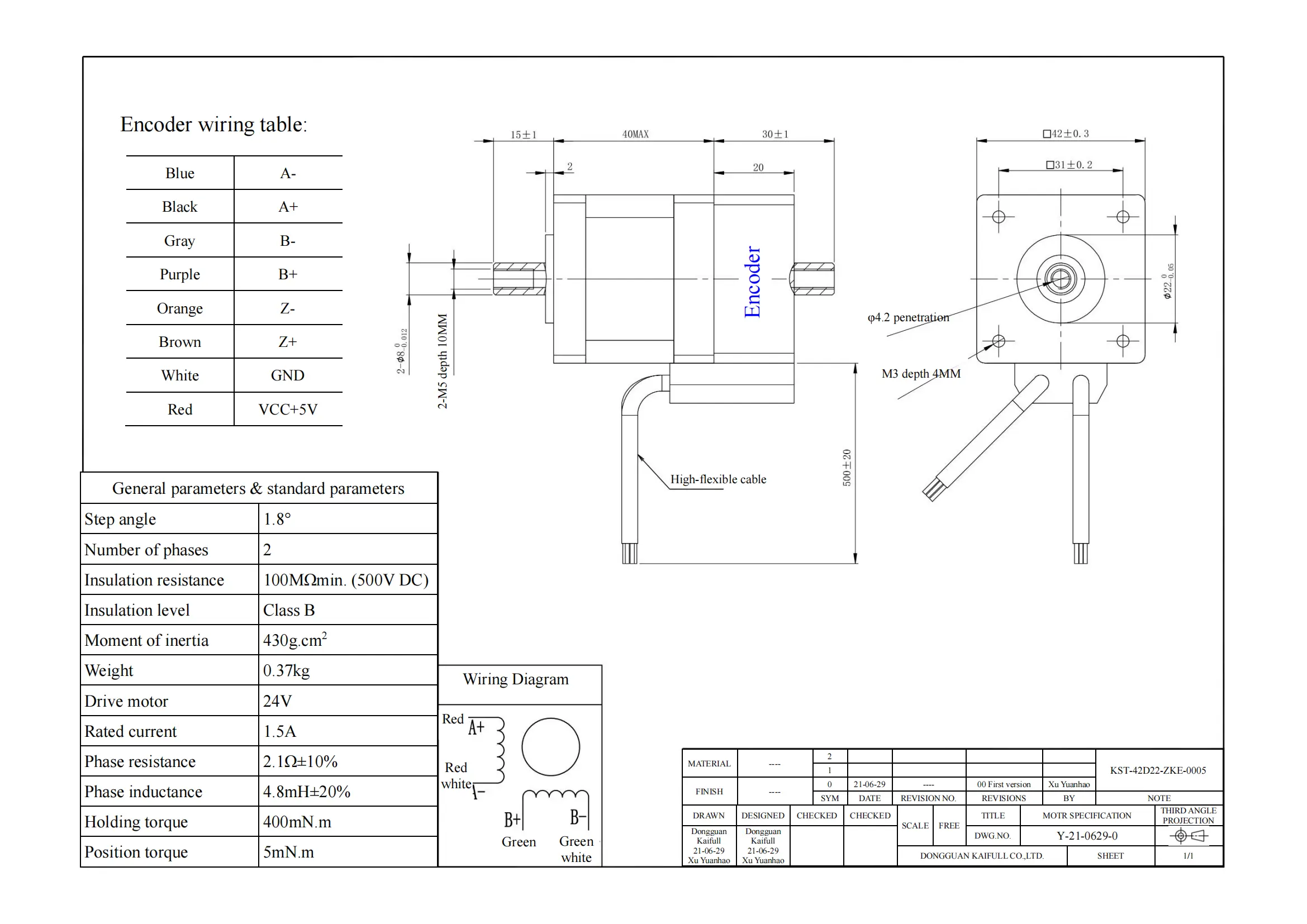
KST-42D22-ZKE-0005 1.8° Stepper Motor, 1.5A Rated Current, 400mN·m Holding Torque, 42mm Frame Size
The KST-42D22-ZKE-0005 is a 42mm frame size stepper motor designed for applications requiring moderate torque and precision control. With a 1.8° step angle and a 1.5A rated current, this motor provides stable and reliable performance for medium-duty systems, including robotics, automation, and light industrial equipment.
The motor features a holding torque of 400mN·m, making it ideal for applications that need robust holding capabilities and fine position control. Its moment of inertia is 430g·cm², ensuring controlled motion and smooth operation during acceleration and deceleration phases.
With an insulation resistance of 100MΩ and phase inductance of 4.8mH ±20%, the KST-42D22-ZKE-0005 offers high efficiency and low electrical noise. The phase resistance is 2.1Ω, contributing to the motor's durability and reliable long-term performance.
| ●Motor configuration and performance parameters | |||||||||||||||||||||||||||
|
|||||||||||||||||||||||||||








Daniel.Ding
Ding



