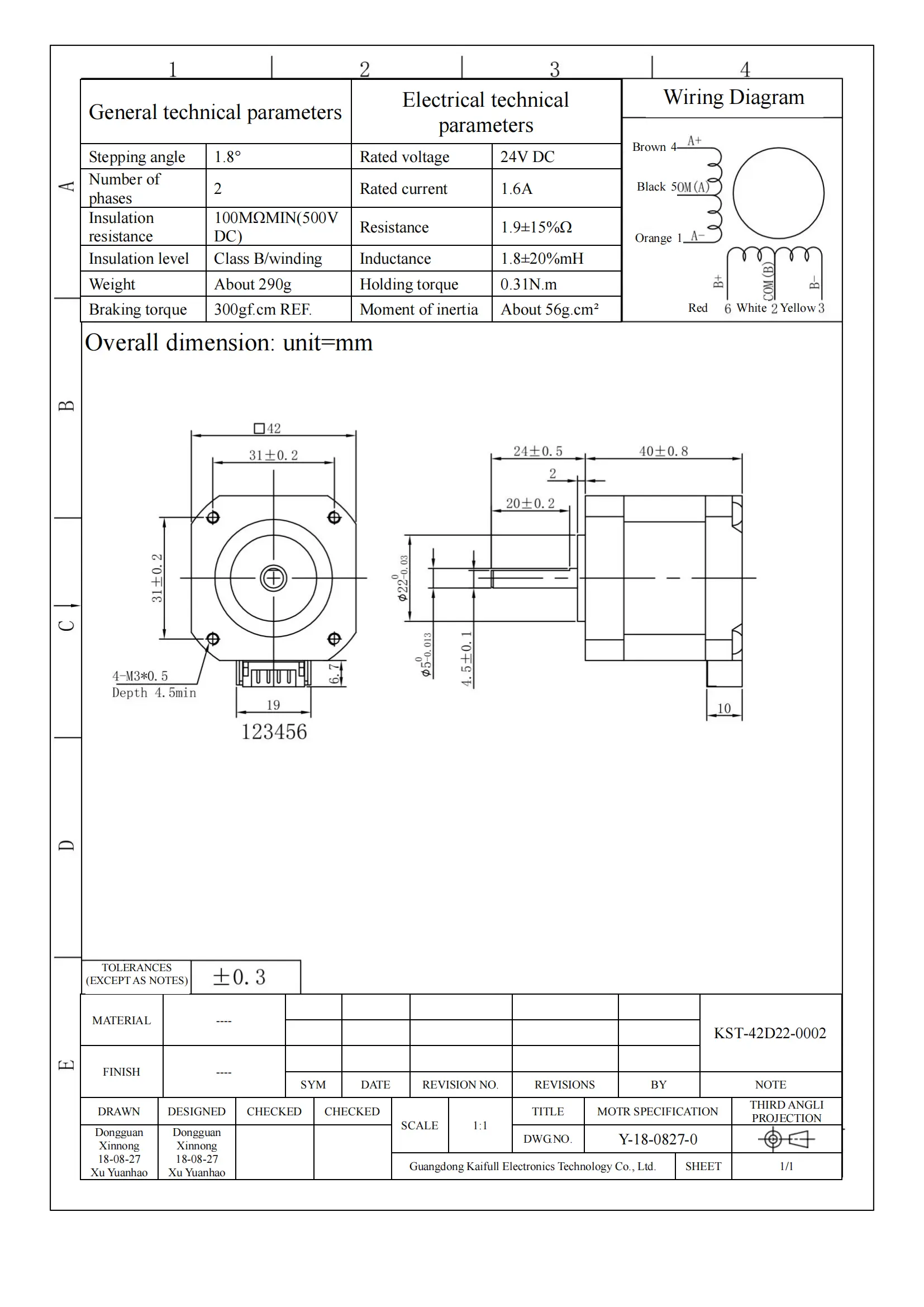
KST-42D22-0002 1.8° Two-Phase Stepper Motor with 0.31N·m Holding Torque, 1.6A Rated Current, 24V DC Drive Voltage
The KST-42D22-0002 is a high-performance two-phase stepper motor designed to provide precise motion control in compact spaces. With a step angle of 1.8° and a holding torque of 0.31N·m, it is perfect for use in small-scale machinery, robotics, and automation systems where space efficiency and reliability are essential.
Operating with a rated current of 1.6A at 24V DC, this motor ensures smooth and reliable operation. It has a phase resistance of 1.9Ω±15% and an inductance of 1.8mH±20%, offering a balance of power and efficiency for demanding tasks.
Built with Class B insulation and featuring an insulation resistance of 100MΩ minimum at 500V DC, the KST-42D22-0002 offers high durability and long-term performance. The motor provides a braking torque of 300gf·cm and a moment of inertia of 56g·cm², ensuring reliable stopping power and accurate positioning.
With a lightweight design of just 290g, this stepper motor is ideal for applications requiring a compact size without compromising on performance or precision.
| ●Motor configuration and performance parameters | |||||||||||||||||||||||||||||
|
|||||||||||||||||||||||||||||








Daniel.Ding
Ding



