KST-20D25-001GZ-100-006 Lead Screw Stepper Motor - 0.022N·m Holding Torque, 1mm Lead, 1.8° Step Angle for Precision Motion Systems
KST-20D25-001GZ-100-006 Lead Screw Stepper Motor - 0.022N·m Holding Torque, 1mm Lead, 1.8° Step Angle for Precision Motion Systems
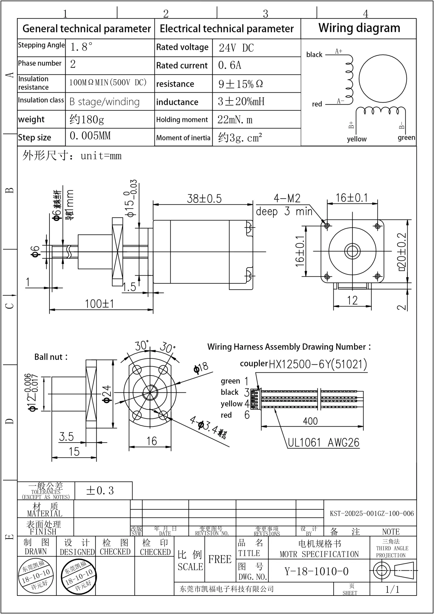
Product Description
The KST-20D25-001GZ-100-006 Lead Screw Stepper Motor is engineered for precision motion control, delivering 0.022N·m holding torque and a 1mm lead. With a 1.8° step angle and a fine 0.005mm step length, this motor ensures high repeatability, making it ideal for applications such as laboratory automation, medical devices, and small-scale CNC systems.
Featuring a 100mm screw length, this motor is designed for compact installations. Its Class B insulation and 100MΩ insulation resistance ensure reliable performance in demanding environments. The motor’s 180g weight and 3g·cm³ rotor inertia provide stability and responsiveness, while the 0.6A rated current and 9Ω resistance optimize energy efficiency.


















| ●Motor configuration and performance parameters | |||||||||||||||||||||||||||||
|
|||||||||||||||||||||||||||||








Daniel.Ding
Ding



