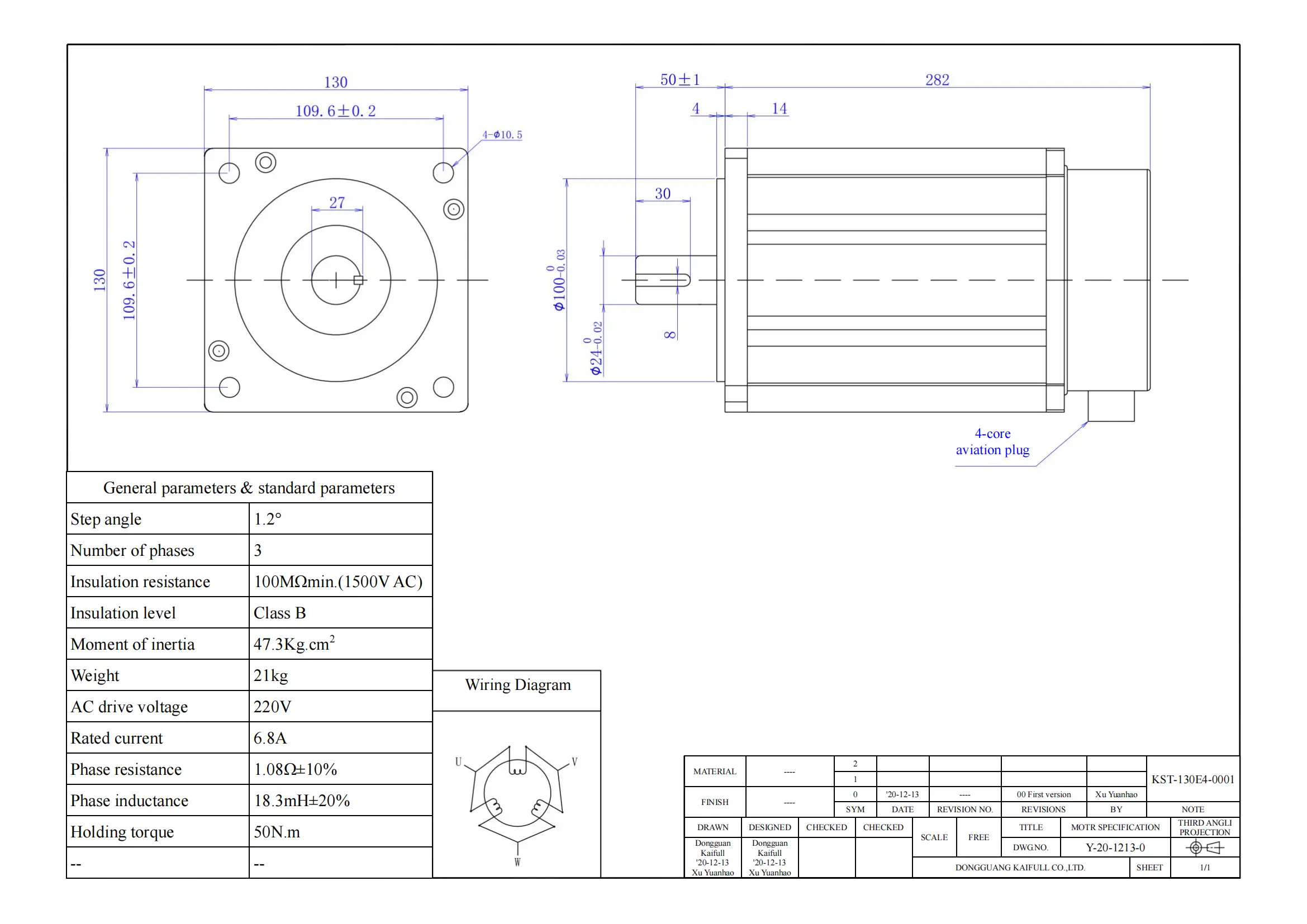
KST-130E4-0001 1.2° Three-Phase Stepper Motor with 50N·m Holding Torque, 6.8A Rated Current, 220V AC Drive Voltage
The KST-130E4-0001 is a robust three-phase stepper motor featuring a step angle of 1.2°, making it ideal for applications that require high precision and torque. With a holding torque of 50N·m and a rated current of 6.8A, this motor is built for high-performance use in demanding industrial systems, including robotics, automation, and large-scale machinery.
The AC drive voltage of 220V and phase resistance of 1.08Ω ensure efficient power consumption and stable performance across various operational conditions. Additionally, the motor’s phase inductance is 18.3mH, providing smooth operation and minimized noise.
Built with Class B insulation and offering an insulation resistance of 100MΩ minimum at 1500V AC, this stepper motor guarantees durability and reliability in harsh environments. Its moment of inertia of 47.3Kg·cm² ensures smooth acceleration and deceleration, while the motor’s 21kg weight provides solid performance for heavy-duty applications.
This KST-130E4-0001 motor is designed to meet the needs of high-torque, high-precision applications such as CNC machinery, industrial automation, and precision robotics. Its sturdy construction, high torque, and efficient operation make it an excellent choice for large-scale systems requiring precise and reliable motion control.
| ●Motor configuration and performance parameters | |||||||||||||||||||||||||
|
|||||||||||||||||||||||||








Daniel.Ding
Ding



